EasyManua.ls Logo

Mitsubishi SRK501HENF-L

Mitsubishi SRK501HENF-L
68 pages
To Next Page IconTo Next Page
To Next Page IconTo Next Page
To Previous Page IconTo Previous Page
To Previous Page IconTo Previous Page
Loading...
1-46
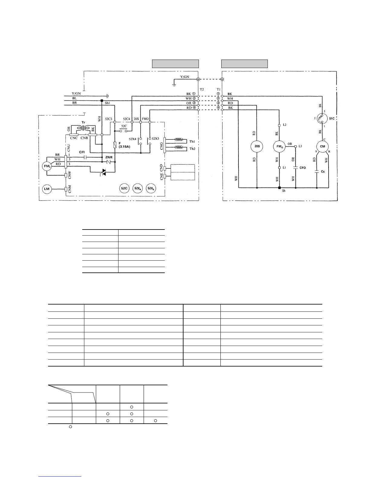
Meaning of marks
Symbol Parts name Symbol Parts name
Cc Capacitor for CM Th1, 2 Thermistor
CFI Capacitor for FMI Tr Transformer
CFO Capacitor for FMO ZNR Varistor
CM Compressor motor 20S 4 way valve, coil
F Fuse 51C Motor protector for CM
FMI Fan motor (Indoor unit) 52C Magnetic contactor for CM
FMO Fan motor (Outdoor unit) 52X4, 5 Auxiliary relay
LM Louver motor
Table of relay operations
Operation
Relay Control
Cooling Heating Defrost
symbol part
52X4 20S × ×
52X5 FMO ×
52C CM
Notes (1) : denotes magentized relay × : denotes demagnetized relay
(2) Th
1 is room temperature sensor. Th2 (the heat exchanger sensor) is the hot start, hot keep, and frost prevention sensor. (for details,
refer to pages 72, 74 )
Models SRK288HENF-L, 328HENF-L, 408HENF-L
Color symbol
BK Black
BL Blue
BR Brown
RD Red
OR Orange
WH White
Y/GN Yellow/Green
Indoor unit
Power source
1Phase 220/240V 50Hz
Printed circuit board
Outdoor unit
Wireless
R-Amp
Display

Related product manuals