EasyManua.ls Logo

Mitsubishi TDJ430D - Motor Drive Protection

Mitsubishi TDJ430D
91 pages
To Next Page IconTo Next Page
To Next Page IconTo Next Page
To Previous Page IconTo Previous Page
To Previous Page IconTo Previous Page
Loading...
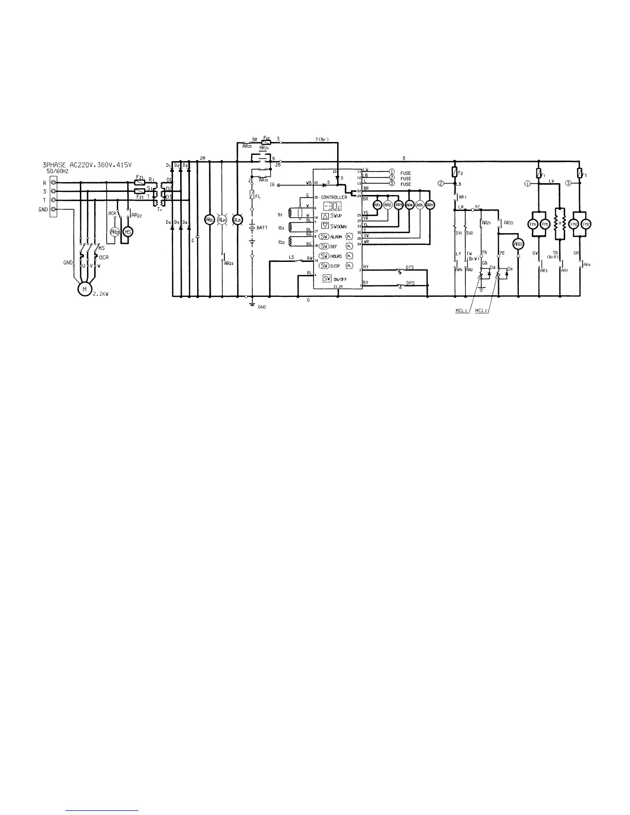
(2) In case of motor drive
Remarks: As the operation of the thermostat and defrost is the same with that of engine drive, refer to page 29 and 30.
1. Turn on the power.
GL
21
(AC power indication lamp) lights.
AR
21
(AC-DC transfer relay) is energized.
(automatic switch-over from engine drive to motor derive.)
2. Turn on the operation switch.
Operation indication lamp lights (green).
AR
3
(evaporator fan motor relay) is energized, and FM
1
(evaporator fan motor) is electrified and evaporator fan
turns.
3. When storage temperature is more than an established temperature (thermostat is "ON"):
If AR
1
(thermostat relay) is energized:
When AR
22
(actuator relay) is energized, MS (electromagnetic switch) is energized, which electrifies M (motor)
and the motor turns.
AR
4
(condenser fan motor relay) is energized, and FM
2
(condenser fan motor) is electrified and condenser fan
turns.
4. When storage temperature is less than 0°C, DTS (defrost thermostat) is "ON".
Defrost timer starts adding up time.
AR
7
(drain hose heater relay) is energized and H (drain hose heater) (option) is electrified.
Cooling operation will start after going through the above procedures.
Remarks: If the delivery temperature becomes more than 125°C, AR
2
(Liquid injection relay) is energized and SV
2
(Liquid injection electromagnetic valve) is electrified.
[Less than 120°C ······ non-energized]
32
A Cooling operation

Related product manuals