EasyManua.ls Logo

Modena Casella Series - Page 41

Modena Casella Series
42 pages
Print Icon
To Next Page IconTo Next Page
To Next Page IconTo Next Page
To Previous Page IconTo Previous Page
To Previous Page IconTo Previous Page
Loading...
41
Picture 18
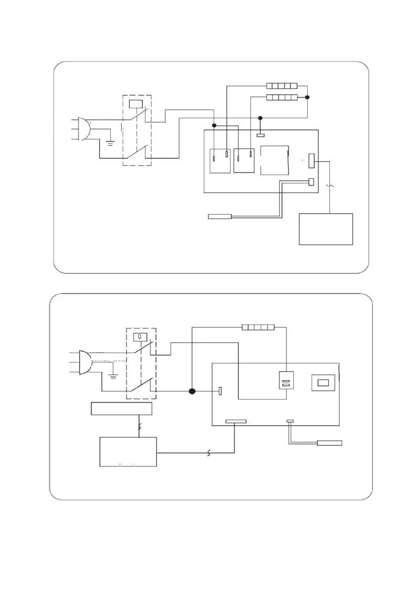
Transformer
LED
Display
Temperature Sensor
PCB
Heating Element
Relay
Thermal
Cut-out
Relay
L
E
N
WIRING DIAGRAM ES 15DR / ES 30DR
WIRING DIAGRAM ES 20SR
Heating Element
Transformer
PCB
Thermal
Cut-out
Indicator Light
LED
Display
Temperature Sensor
N
E
L
Remark:
L : Brown
E : Yellow/Green
N : Blue
Remark:
L : Brown
E : Yellow/Green
N : Blue

Related product manuals