EasyManua.ls Logo

Modena ES Series - Page 8

Modena ES Series
Print Icon
To Next Page IconTo Next Page
To Next Page IconTo Next Page
To Previous Page IconTo Previous Page
To Previous Page IconTo Previous Page
Loading...
Bahasa Indonesia 6
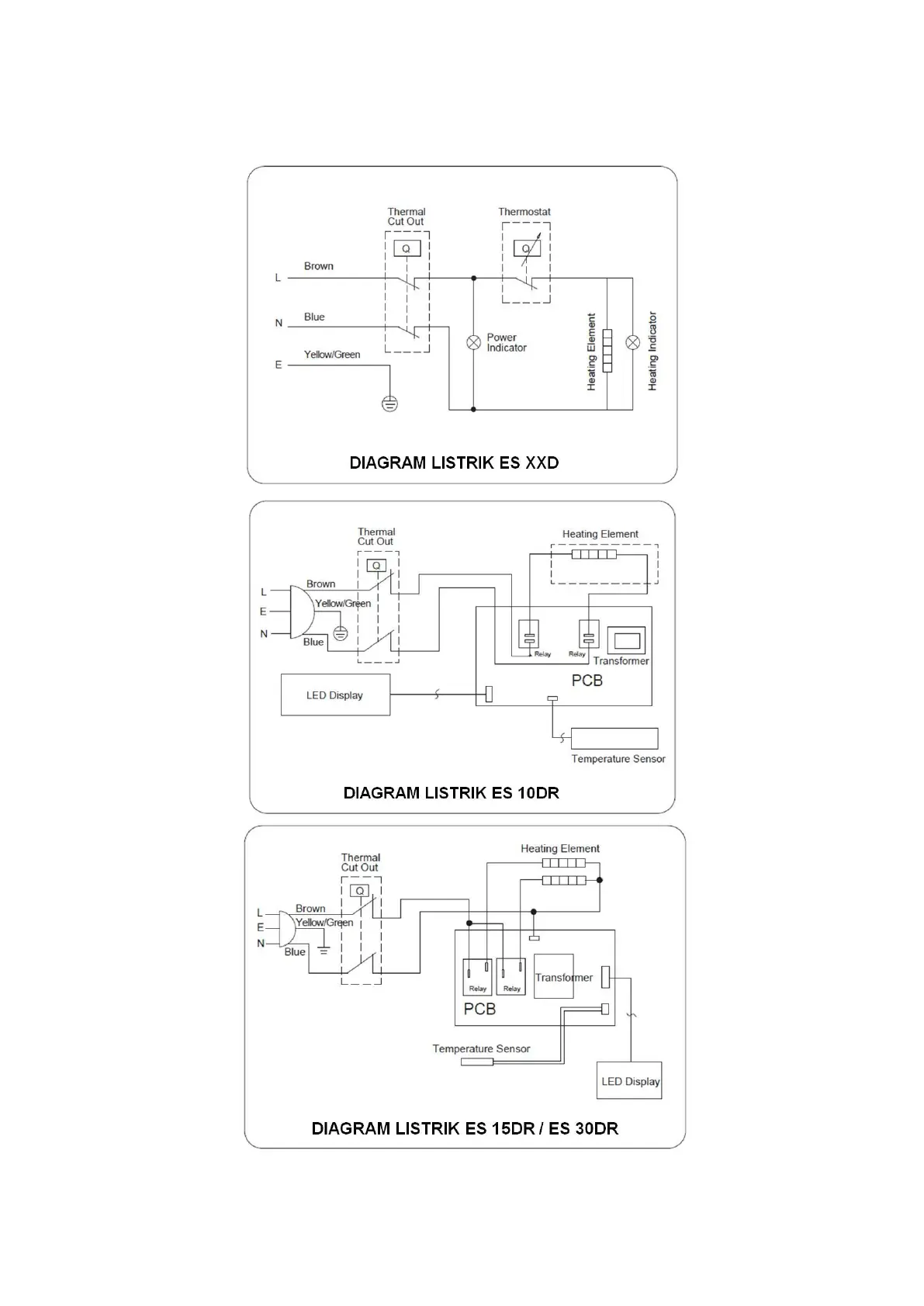
2.4 Diagram Listrik
Diagram 6

Related product manuals