EasyManua.ls Logo

Modern Forms Wynd 42 - Page 19

Modern Forms Wynd 42
36 pages
Print Icon
To Next Page IconTo Next Page
To Next Page IconTo Next Page
To Previous Page IconTo Previous Page
To Previous Page IconTo Previous Page
Loading...
FR-W1801
Wynd Instructions 19
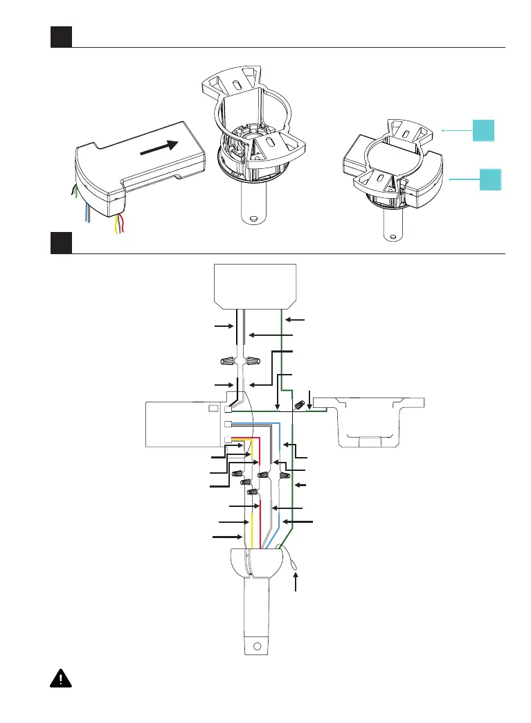
Follow the steps above to connect the fan to your household wiring. Use the plastic wire nuts with your fan.
Secure the plastic wire nuts with electrical tape. Make sure there are no loose strands or connections.
Failure to do so may result in damage to the electronics.
6
6A
Black(Hot)
can be RED from Switch leg
Black(Line in H)
RED(to Motor)
GREEN(Ground)
BLUE (to Light)
BLUE (for Light)
GREEN(GND Must Use)
GREEN(Hanger Bracket Ground)
GREEN(Hanger Bracket Ground)
RED(to Motor)
GREY(to Motor)
WHITE(Neutral)
WHITE(to Light)
WHITE(Neutral)
Safety Cable
GREY(to Motor)
YELLOW(to Motor)
WHITE(Line in N)
YELLOW(to Motor)
Outlet
Box
Receiver
Hanger Ball & Downrod
Hanger
Bracket
1
2
1. Mounting Bracket
2. Receiver

Related product manuals