EasyManua.ls Logo

Moffat Turbofan E311 - Circuit Schematic; Oven Electrical Diagram

Moffat Turbofan E311
21 pages
Print Icon
To Next Page IconTo Next Page
To Next Page IconTo Next Page
To Previous Page IconTo Previous Page
To Previous Page IconTo Previous Page
Loading...
17
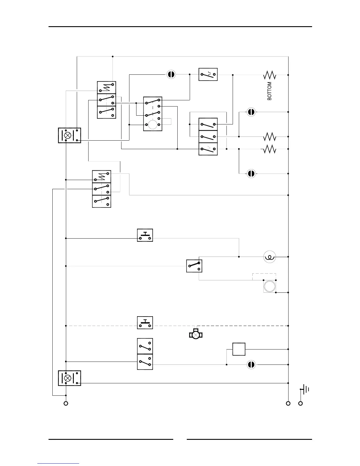
Circuit schematic
E
L2
N
TIME
UP
B
BUZZER
2
1
35
4
6
L1
TIMER
SWITCH
POWER
3 4
1Hr
Ø
1 2
1
60Hz
3
T/STAT
HOLD
HOLD
LIGHT
OVEN
HEATING
50Hz
FAN
4
SWITCH
MICRO
NO NC
DOOR
OVEN
OUTER
TOP
T/STAT
2
INNER
TOP
GRILL
5 6
TIMER
3Hr
1 P5 P6
65
M
2 3
14
LIGHT
SWITCH
3
NO
NC
4
1 2
B
A
4
7
163
9
POWER
RELAY
3
4
6
9
1
7
B
A
HOLD SWITCH
WATER
SWITCH
(OPTION ONLY)
WATER
SOLENOID
(OPTION ONLY)
HOLD
RELAY
NO

Other manuals for Moffat Turbofan E311

Related product manuals