EasyManua.ls Logo

Moffat TURBOFAN E31D4 - Electrical Schematics; Electrical Schematic E31 D4 Turbofan Oven

Moffat TURBOFAN E31D4
19 pages
Print Icon
To Next Page IconTo Next Page
To Next Page IconTo Next Page
To Previous Page IconTo Previous Page
To Previous Page IconTo Previous Page
Loading...
Electrical Schematics
15
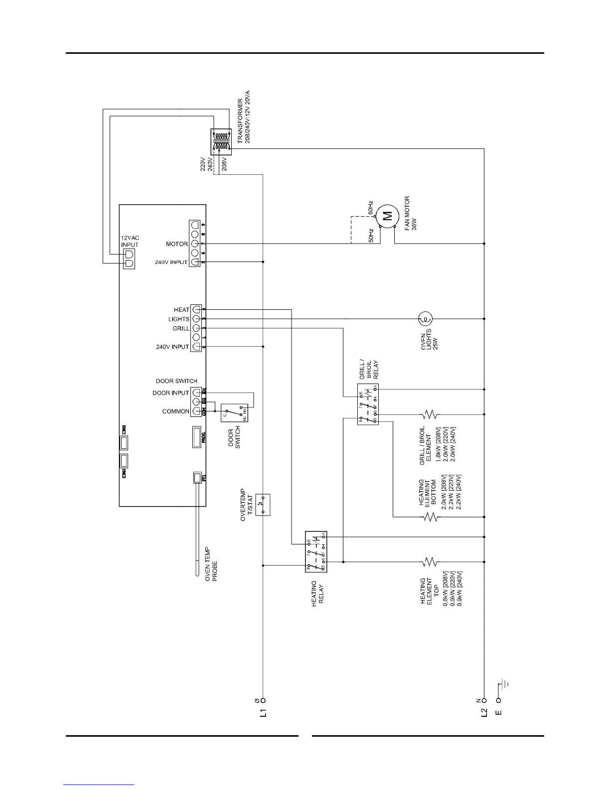
Electrical Schematic E31D4 Turbofan Oven

Other manuals for Moffat TURBOFAN E31D4

Related product manuals