EasyManua.ls Logo

Molnar SM Series - Page 19

Default Icon
24 pages
Print Icon
To Next Page IconTo Next Page
To Next Page IconTo Next Page
To Previous Page IconTo Previous Page
To Previous Page IconTo Previous Page
Loading...
Page 19
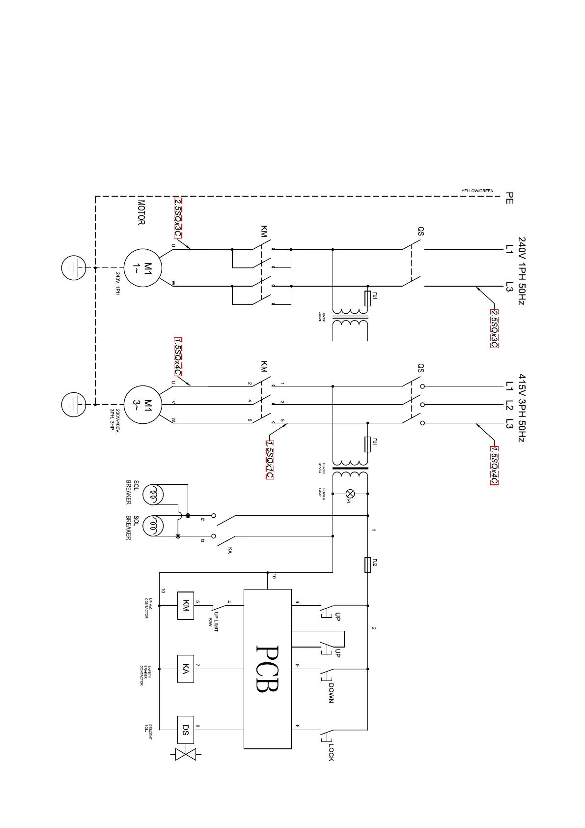
SM4X0 Molnar 4 Post Hoist
Molnar SM 4 Post Hoists
Single and Three Phase Wiring Diagram
(Hoist Serial Number 4P5D0142 Onwards)