EasyManua.ls Logo

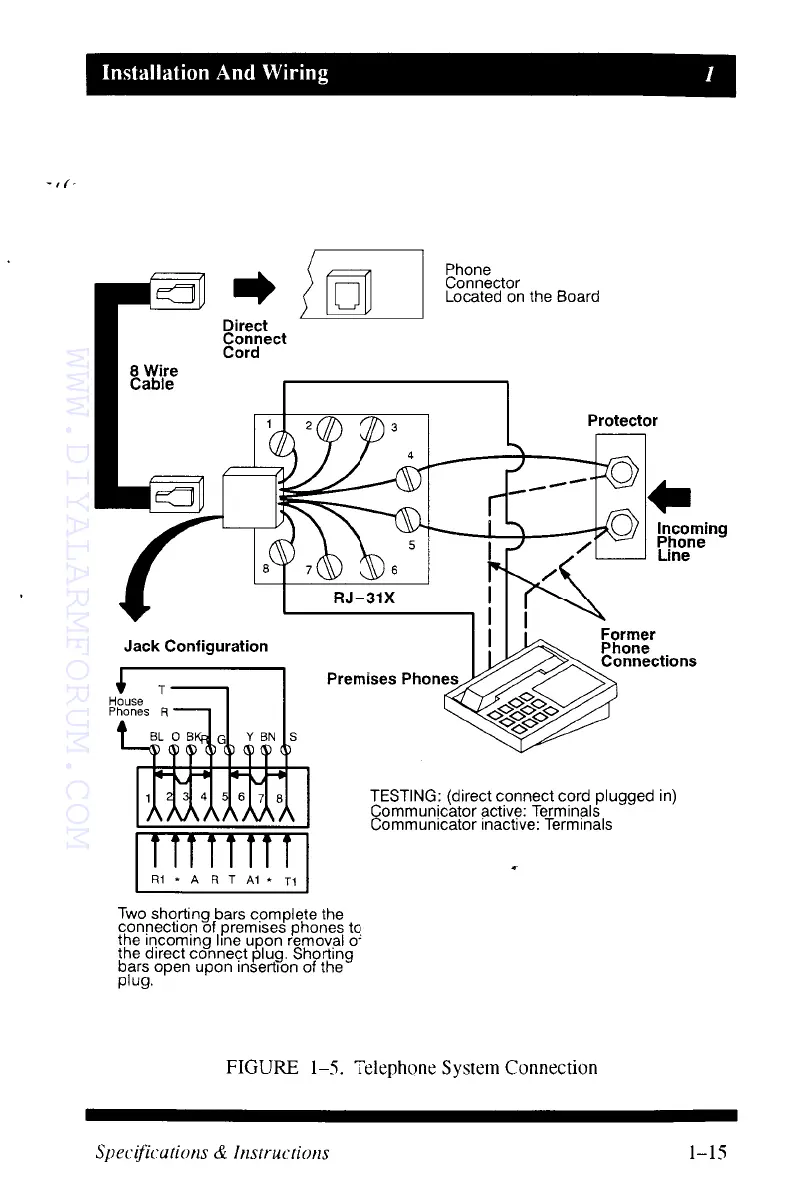
MOOSE Z800 - Installation And Wiring; Telephone System Connection Diagram

Default Icon
84 pages
Print Icon
To Next Page IconTo Next Page
To Next Page IconTo Next Page
To Previous Page IconTo Previous Page
To Previous Page IconTo Previous Page
Loading...
WWW.DIYALARMFORUM.COM

Related product manuals