EasyManua.ls Logo

MOOV MC130JUST - Features

Default Icon
Print Icon
To Next Page IconTo Next Page
To Next Page IconTo Next Page
To Previous Page IconTo Previous Page
To Previous Page IconTo Previous Page
Loading...
7
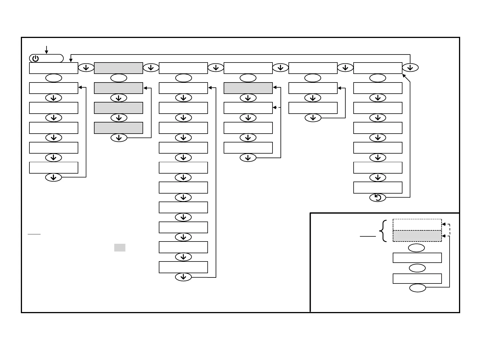
3.5. Features
Menu
Electrolysis
Menu
pH Regulation
Menu
Parameters
Menu
History
Menu
Communication
Menu
Informations
Electrolysis
Boost
pH Regulation
Mode ON/OFF
Parameters
Date XX/XX/XX
History
Last pH Calib.
Communication
Bluetooth
Soft Version
MASTER: XX.XX.XX
Electrolysis
Mode XXX
pH Regulation
Adjust
Parameters
Time XX:XX
History
Filtration
Communication
Modbus RS485
Soft Version
SLAVE: XX.XX.XX
Electrolysis
Inversion XX h
pH Regulation
Calibration
Parameters
Languages XX
History
Electrolysis
ID Code:
XXXXXXXX
Electrolysis
Salinity XX
Parameters
Sensors
History
Temperature
Serial Number
XXXX-XXXXXX-XXX
Electrolysis
Electrolyse Test
Parameters
Alarms
MAC address:
XXXXXXXXXXXX
Parameters
Temp. Adjust
MCU Temperature:
XX°F
Parameters
Salt Adjust
Default display in line
PROD. XXX %
PROD. XXX %
pH X.X
Salt Rate
XX.X ppm
Temperature
XX.X °F
Parameters
Display
Parameters
Restore Param.
Parameters
Code
OK
OK
OK
OK
OK
OK
MENU
KEY :
Model without a pH probe: white.
Model with a pH probe: white + grey.
OK
OK
OK

Table of Contents

Related product manuals