EasyManua.ls Logo

Motorola CP040

Motorola CP040
46 pages
To Next Page IconTo Next Page
To Next Page IconTo Next Page
To Previous Page IconTo Previous Page
To Previous Page IconTo Previous Page
Loading...
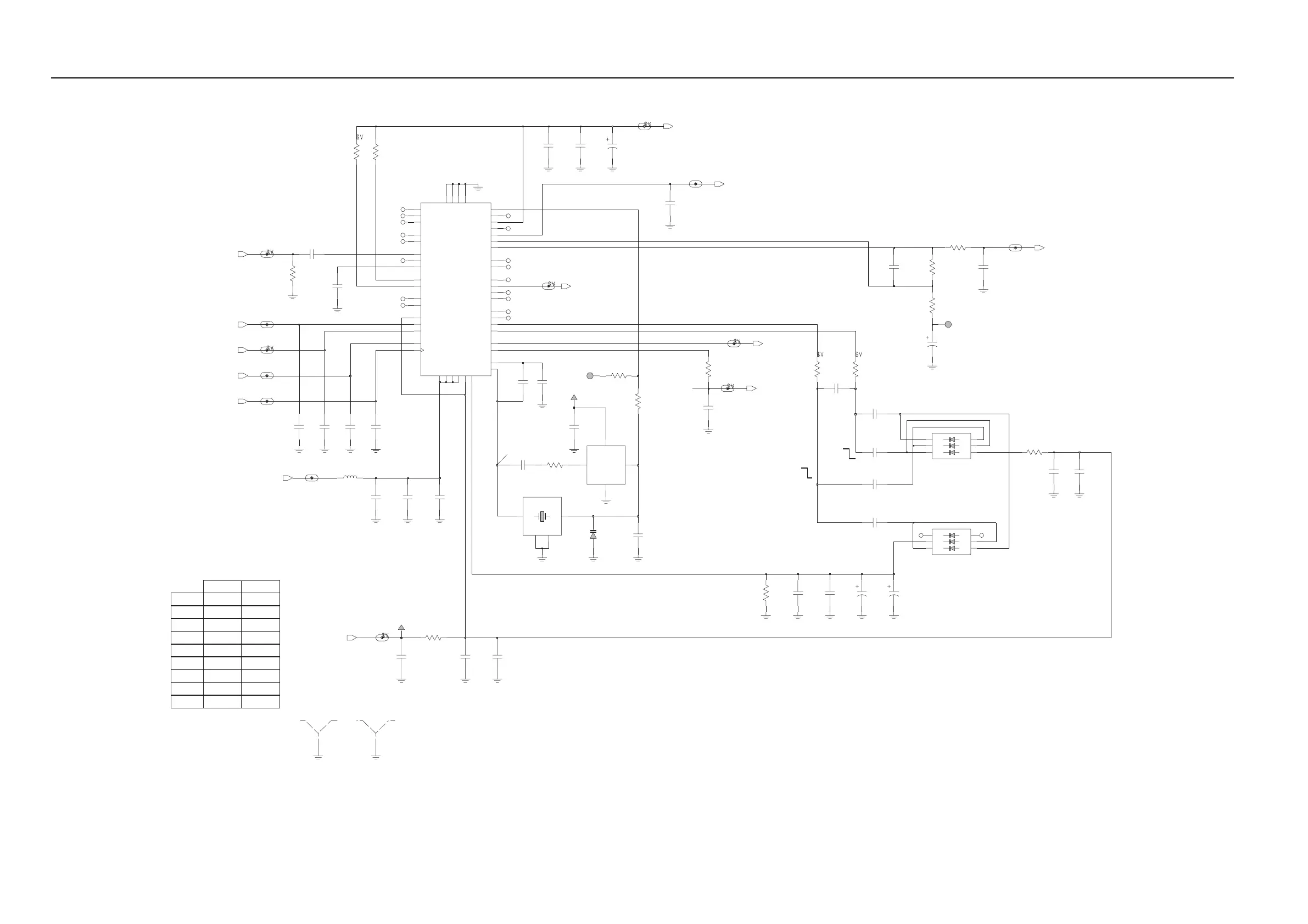
4-8 VHF2 PCB 8486342Z13-C Schematic Diagrams
1SV232
47k
3V
2.7pF
150k
45J68
D201
C203
100
NU
NU
TCXO
220pF
44 mV (RF)
205 mV (RF)
2.4 V (TYP)
TX: 3V
LOCK: 3V
C202
0.01uF
R206
Crystal
107 mV (RF)
14R06 NU
Reference Oscillator
3V
0V
0V
Y201
NU
C206
NU
R202
NU
Y202
C201
NU
RX: 0V
3.0V to 8.0V
4.5V
UNLOCK: 0V
NU
62pF
NC
470pF
C210
C243
0.1uF
NC
4.7uF
C230
C233
C212
NC
2.2uF
5V
5V
2.2uF
FN_CLK
A2
5
A3
4
K1
1
K2
2
K3
3
D221
A1
6
.01uF
NC
FN_VCO_MOD
C221
2K
R243
2.2uF
C215
2.2uF
C218
SH201
SHIELD
1
NC
SH200
SHIELD
1
FN_LOCK
NC
NC
C227
1000pF
150
NC
100K
R246
R220
TP200
1
470pF
C204
220pF
C201
C220
NC
NC
22pF
R245
C222
.01uF
FN_16_8
1.5K
1000pF
C217
150K
R227
2.7pF
3.7%
C203
1000pF
C214
FN_5V
NC
FN_V_STEER
R248
51
NC
FN_MOD
R206
FN_V_SF
16.8MHz
2
GND
3
OUT
4
VCC
1
VCON
NU
10uF
NU
Y202
45J68
270K
C226
2
GND
4
GND1
3
OUT
1
IN
R247
NC
Y201
14R06
16.8MHz
XTAL1
23
XTAL2
24
C202
1%
62pF
VBPASS
21
VCP
47
VMULT1
15
VMULT2
14
VMULT3
12
VMULT4
11
13
VRO
WARP
25
PVREF
35
REFSEL
18
SFBASE
27
SFCAP
26
SFIN
30
SFOUT
28
TEST1
37
TEST2
38
NC1
17
NC2
29
NC3
31
PD_GND
44
5
PD_VDD
PREIN
32
PRE_GND
33
PRE_VDD
34
DVDD
36
FREFOUT
19
IADAPT
45
INDMULT
16
IOUT
43
4
LOCK
MODIN
10
MODOUT
41
AVDD
20
BIAS1
40
BIAS2
39
CCOMP
42
CEX
9
CLK
8
DATA
7
DGND
6
U201
63A27
ADAPTSW
46
AGND
22
AUX1
48
AUX2
1
AUX3
2
AUX4
3
L211
560nH
0.1uF
150
R221
C219
C207
470pF
NC
C232
0.1uF
R202
150K
470pF
C209
1SV232
D201
A1
6
A2
5
A3
4
1
K1
2
K2
3
K3
D220
R230
200K
FN_DATA
C231
1000pF
C244
1200pF
NC
C216
0.1uF
C241
1200pF
FN_PRESC
FN_TRB
NU
C206
0.1uF
C211
1uF
C245
NC
10uF
C225
.01uF
C224
C223
.01uF
.01uF
C213
TP240
1
C208
470pF
100
R205
FN_SYNTH_CS
R244
51
0.1uF
C228
NU
C205
NC
NC
R212
0
FN_3V
100
5V
3V
PRESC
NC
R223
LOCK
V_SF
V_STEER
16_8_MHZ
SPI_DATA_OUT
MOD_IN
SYNTH_CS
SPI_CLK
VCO_MOD
TRB
VHF (146-174 MHz) Synthesizer Schematic Diagram

Other manuals for Motorola CP040

Related product manuals