EasyManua.ls Logo

mr. steam CU-4500 - Page 14

mr. steam CU-4500
36 pages
Print Icon
To Next Page IconTo Next Page
To Next Page IconTo Next Page
To Previous Page IconTo Previous Page
To Previous Page IconTo Previous Page
Loading...
mr
.
steam
®
C U S E R I E S Installation, Operating & Maintenance Manual
14
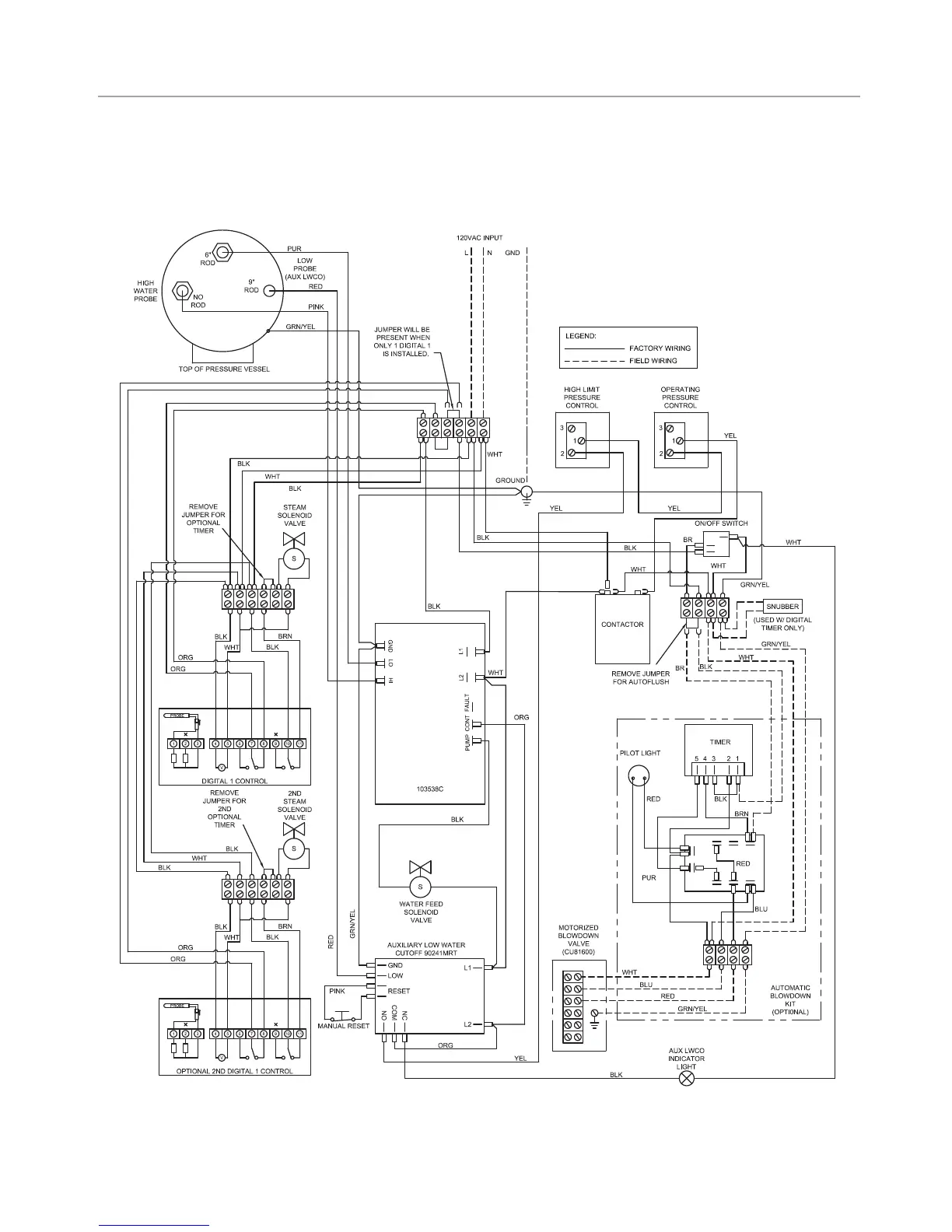
H
IGH PROBE (WF/LWCO)
NOTES:
1. Larger rooms may require two or more steam solenoid valves in parallel.
2. When generator services two rooms, second room requires a Digital 1 and Solenoid Valve(s).
CONTROL CIRCUIT WIRING DIAGRAM
Digital 1
®
Temperature Control System and optional automatic blowdown assembly
F
or Models: CU-360A to CU-750A and CU-1000AF3, CU-1250AF3, CU-1400AF3

Related product manuals