EasyManua.ls Logo

MT-Propeller E-504 - Page 29

Default Icon
97 pages
Print Icon
To Next Page IconTo Next Page
To Next Page IconTo Next Page
To Previous Page IconTo Previous Page
To Previous Page IconTo Previous Page
Loading...
E-504
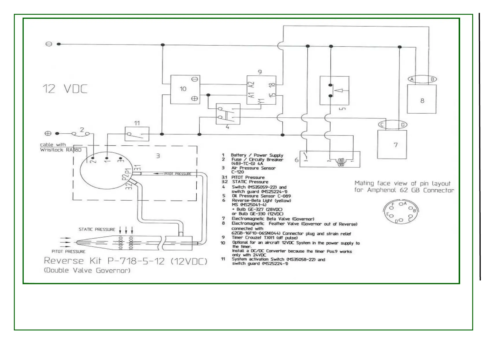
Figure 6 Figure 6:
Einmotore Flugzeuge: Doppelmagnetventil-Regler - 12 VDC Single Engine Airplanes: Double Valve Governor - 12 VDC
Seite 17-7 14.02.2012 Page 17-7 2012-02-14

Related product manuals