EasyManua.ls Logo

MT-Propeller E-504 - Page 30

Default Icon
97 pages
Print Icon
To Next Page IconTo Next Page
To Next Page IconTo Next Page
To Previous Page IconTo Previous Page
To Previous Page IconTo Previous Page
Loading...
E-504
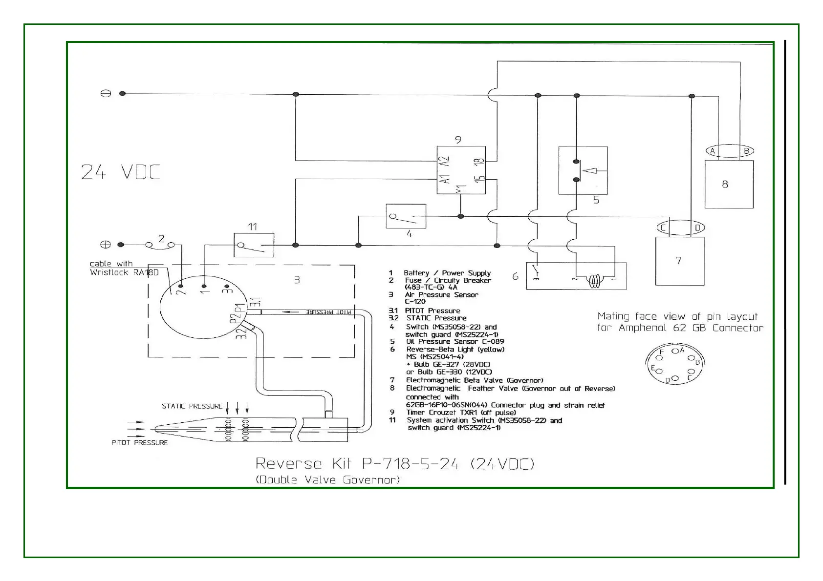
Figure 7: Figure 7:
Einmotorige Flugzeuge: Doppelmagnetventil-Regler - 24 VDC Singe engine Airplane: Double Valve Governor - 24 VDC
Seite 17-8 14.02.2012 Page 17-8 2012-02-14

Related product manuals