EasyManua.ls Logo

MT-Propeller E-504 - Page 31

Default Icon
97 pages
Print Icon
To Next Page IconTo Next Page
To Next Page IconTo Next Page
To Previous Page IconTo Previous Page
To Previous Page IconTo Previous Page
Loading...
E-504
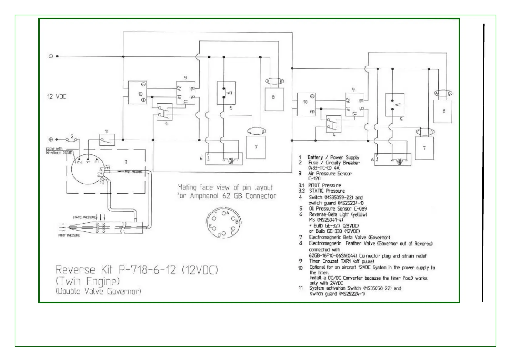
Figure 8 Figure 8
Zweimotorige Flugzeuge: Doppelmagnetventil-Regler - 12 VDC Twin Engine Airplanes: Double Valve Governor - 12 VCD
Seite 17-9 14.02.201 Page 17-9 2012-02-14

Related product manuals