EasyManua.ls Logo

MTD 280r - Blower Housing and Tube; Fuel System Components; Engine Covers and Controls; Blower Tube and Impeller

MTD 280r
2 pages
Print Icon
To Previous Page IconTo Previous Page
To Previous Page IconTo Previous Page
Loading...
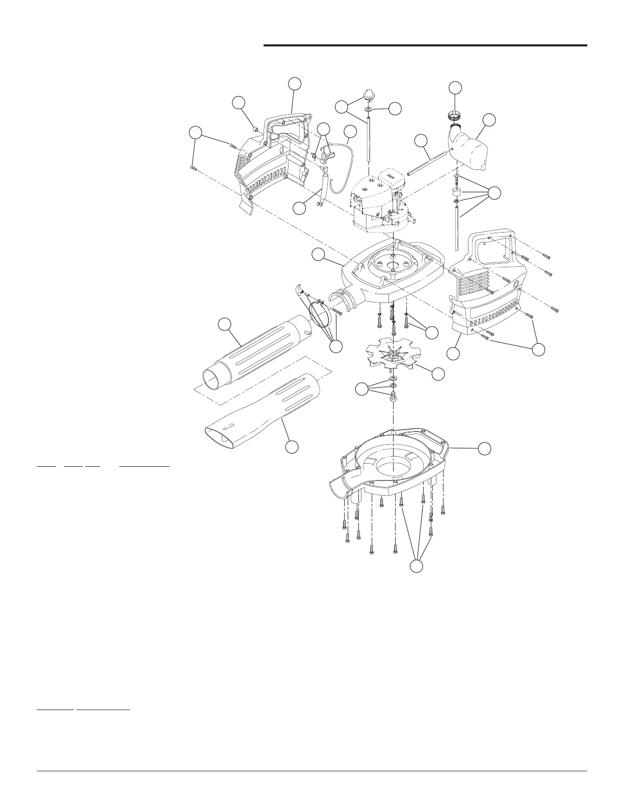
9
6
5
10
3
2
8
9
11
12
1
14
7
4
11
13
18
17
16
15
19
20
11
Item Part No. Description
1 791-00036 Trigger Assembly
2 791-683974B Primer Bulb and Hose Assembly
3 791-181671 Primer Washer
4 791-181168 Return Line
5 791-182438 Fuel Cap Assembly
6 791-147350 Complete Fuel Tank Assembly
(includes items 4, 5 and 7)
7 791-147036 Fuel Line Assembly
8 791-180484 R.H. Engine Cover
9 791-180450 Switch and Lead Assembly
10 791-181513 Throttle Wire and Housing Assembly
11 791-147049 Mounting Screw
12 791-180485 L.H. Engine Cover
13 791-180058 Mounting Screw Assembly
14 791-180478 Upper Blower Housing
15 791-180469 Blower Tube W/Nozzle
16 791-180480 Blower Tube
17 791-180481 Clamp Assembly
18 791-180453 Impeller
19 791-181514 Mounting Bolt Assembly
20 791-180482 Lower Blower Housing W/Door
Optional Accessories
* 791-682075B Shoulder Strap
* 791-147543 Ryobi 2-Cycle Oil
* not shown
BLOWER PARTS - MODEL 280r
2-CYCLE GAS BLOWER
PPN 41BR280G034
Reissued 7/01

Related product manuals