EasyManua.ls Logo

MTD 608 - Page 46

MTD 608
52 pages
Print Icon
To Next Page IconTo Next Page
To Next Page IconTo Next Page
To Previous Page IconTo Previous Page
To Previous Page IconTo Previous Page
Loading...
46
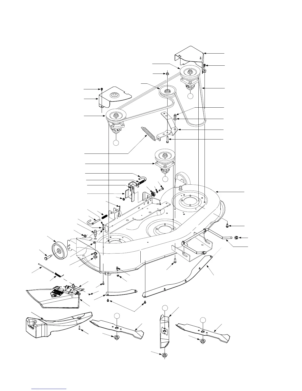
Deck: 46-inch
A
C
A
B
C
B
7
41
13
28
42
21
4
34
1
13
35
7
39
1
1
32
2
20
17
6
23
18
17
32
20
15
24
19
26
25
14
8
13
22
29
3
5
10
11
33
16
38
7
37
9
12
12
12
30
31
30
11
43
44
45
46
47
48
49

Related product manuals