EasyManua.ls Logo

MTD 769 - Page 14

MTD 769
24 pages
Print Icon
To Next Page IconTo Next Page
To Next Page IconTo Next Page
To Previous Page IconTo Previous Page
To Previous Page IconTo Previous Page
Loading...
14
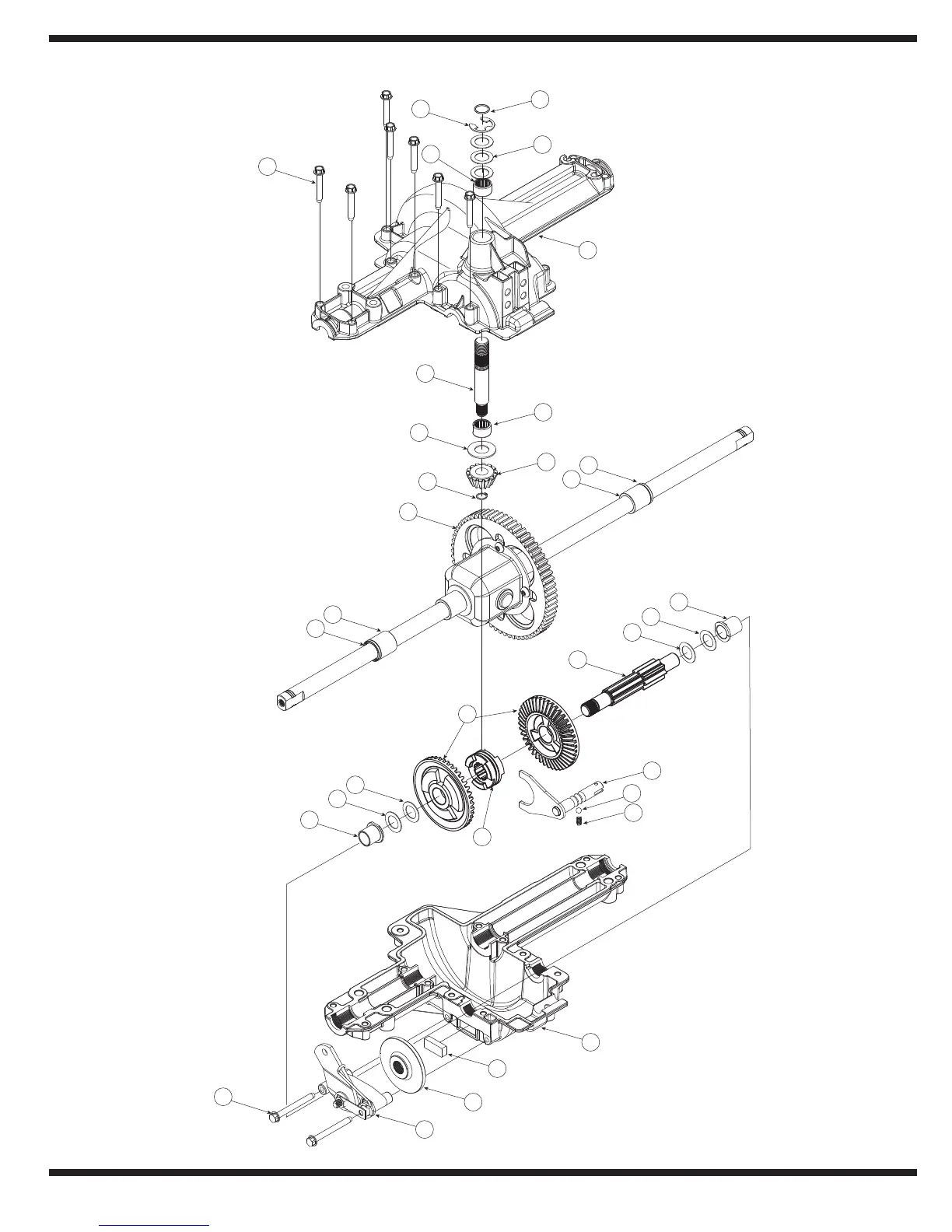
Models 760-779






















Related product manuals