EasyManua.ls Logo

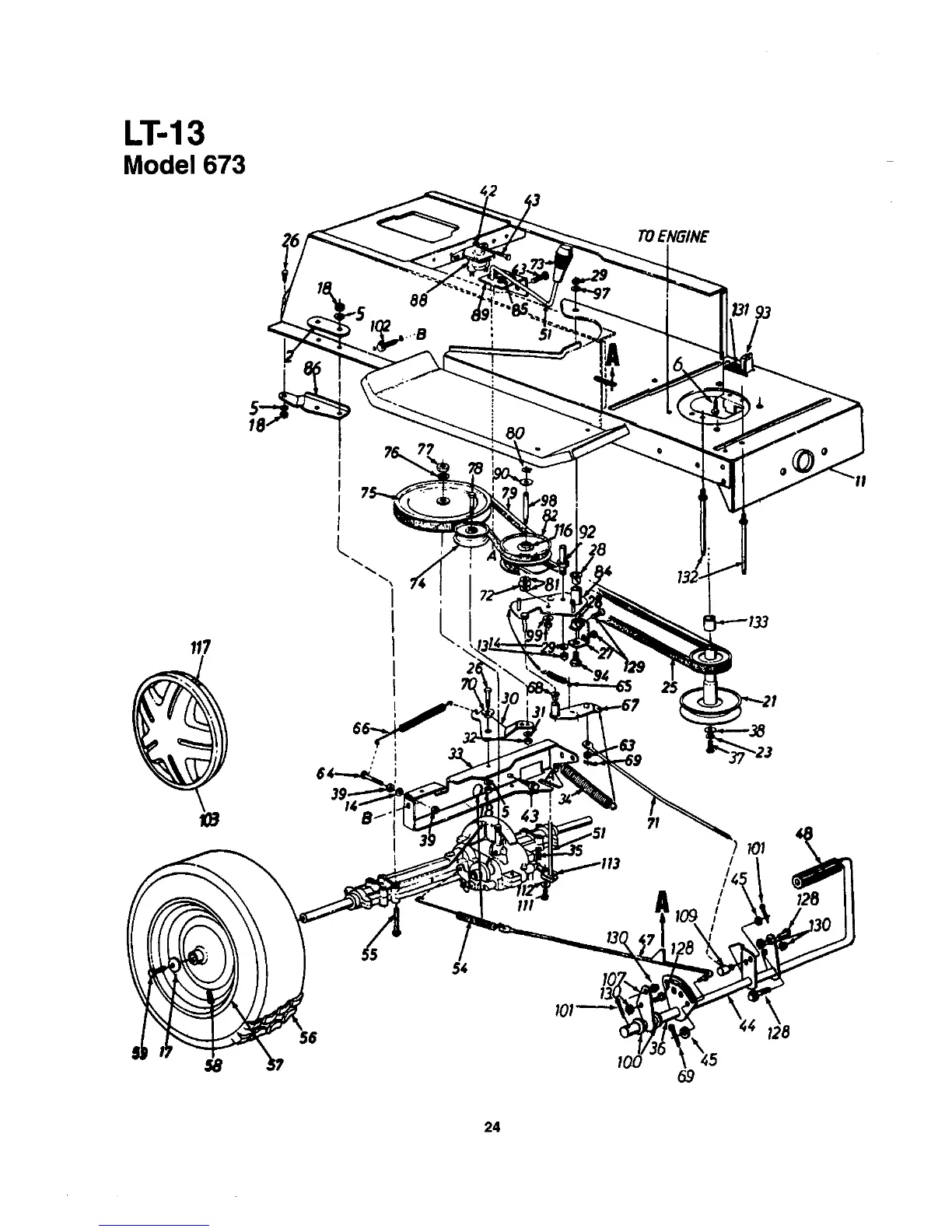
MTD LT13 673 - LT-13 Model 673

MTD LT13 673
36 pages
Print Icon
To Next Page IconTo Next Page
To Next Page IconTo Next Page
To Previous Page IconTo Previous Page
To Previous Page IconTo Previous Page
Loading...

Related product manuals