EasyManua.ls Logo

MTZ 1220.3 - Page 128

MTZ 1220.3
244 pages
Print Icon
To Next Page IconTo Next Page
To Next Page IconTo Next Page
To Previous Page IconTo Previous Page
To Previous Page IconTo Previous Page
Loading...
MTZ 1220.1/1220.3 Section G. Operating instruction
G8
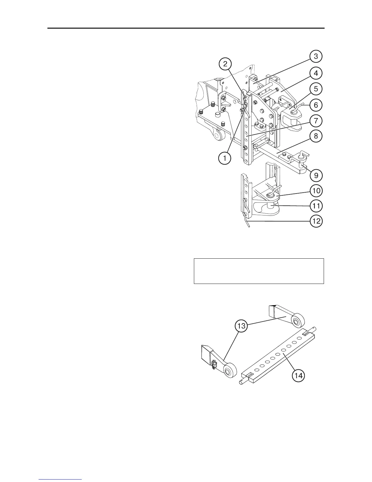
Universal drawbar hitch mechanism
The towing device for work with two-axle
trailer consists of the towing jaw (5) with
the pivot (6). The jaw body is connected
with the plates (4) which enter the slot of
the guiding side pieces (3, 7) and fixed by
means of four pins (12). The pins are
locked by means of a linchpin (2) and
stopped by the ring (1). The height of the
towing jaw with the body can be varied by
repositioning the same on the holes in the
side pieces (3, 7).
The towing jaw (10) with the pivot (11) is
intended for work with semi-trailers. The
drawbar (8) with the pivot (9) is intended
for hitching the semi-trailed and trailed ag-
ricultural machines to the tractor.
Crossbar (double)
When the tractor is equipped with teles-
copic lower links, it is possible to mount
the crossbar to the rear link ends for con-
necting to the tractor the trailed and semi-
mounted agricultural machines without
towing yoke. The crossbar is mounted to
the front ends of the lower links when the
rear ends are removed.
Crossbar (single) (14)
The crossbar complies with international
standards and is intended for coupling the
trailed and semi-mounted machines to the
tractor.
It is mounted onto the RLL suspension
axle (rear joints of the lower links (13))
and connected with the machines having
a fork instead of loop and makes it possi-
ble to improve the manoeuvrability of ma-
chine-tractor aggregate.
ATTENTION! Before mounting the
double crossbar, remove the link (8) and
fork (5) and (10).