EasyManua.ls Logo

MTZ 1220.3 - Page 140

MTZ 1220.3
244 pages
Print Icon
To Next Page IconTo Next Page
To Next Page IconTo Next Page
To Previous Page IconTo Previous Page
To Previous Page IconTo Previous Page
Loading...
MTZ 1220.1/1220.3 Section H. Adjustments
H12
Checking and adjusting brake valve of pneumatic system
Check and, if necessary, adjust the
pneumatic system brake valve drive after
completion of adjustment of the service
brake control and adjustment of the parking-
reserve brake control.
ATTENTION: adjust the brake valve
drive when the service brake pedals
are not pressed and the park emergen-
cy brake is completely disengaged!
Before checking and adjusting the
pneumatic system brake valve drive, put
the tractor on a flat horizontal surface. The
engine must be killed. Put brake shoes in
front and behind the wheels precluding
spontaneous motion of the tractor.
Check and, if necessary, adjust the
pneumatic system brake valve single-
cable drive as follows.
1. Connect a pressure gage with a
scale of 1 MPa min. to the coupling head
of the tractor pneumatic drive.
2. Turn on the compressor, start the en-
gine and fill the cylinder with air to a pres-
sure of 0.77 to 0.8 MPa as per the air pres-
sure gage located on the instrument panel
of the tractor. Air pressure as per the pres-
sure gage connected to the coupling head
must be 0.77 MPa or higher. If it is lower
than specified, proceed as follows:
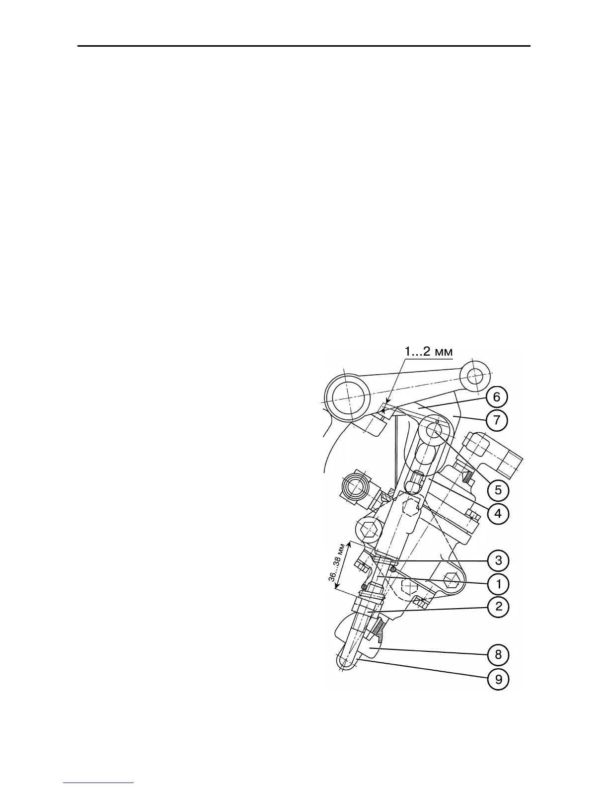
- check availability of the clearance A
between the finger (5) (Figure H-7) and
the upper edge of the grooves in the arms
(6 and 7). The clearance must be 1 to 2
mm;
If there is no clearance, remove the cot-
ter pin and remove the finger (5) and ad-
just the length of the arm by turning the
end (4).
- check and adjust as necessary precom-
pression of the spring (3) to a size of
36…38 mm by rotating the nuts (2), then
lock the nuts. Adjust the spring precom-
pression so that when you press the ser-
vice brake pedal or engage the parking
brake, first the brake valve rod moves until
it stops, and then the spring compresses;
- if the brake valve drive is properly ad-
justed and the brake valve is in good con-
dition, then when the blocked brake ped-
als move to a full travel or the parking
brake is engaged up to its lock on the
second-fourth tooth, the pressure as per
the pressure gage connected to the coupl-
ing head must drop to zero;
- disconnect the gage from the coupling
head.
If the mentioned adjustments do not
provide the above pressure parameters,
then unmount the brake valve and send it
for repair.
1 — linkage; 2 — nut; 3 — spring; 4 —
end; 5 — finger; 6, 7 - lever, 8 — casing; 9
— eye.