EasyManua.ls Logo

MTZ 1220.3 - Page 71

MTZ 1220.3
244 pages
Print Icon
To Next Page IconTo Next Page
To Next Page IconTo Next Page
To Previous Page IconTo Previous Page
To Previous Page IconTo Previous Page
Loading...
MTZ 1220.1/1220.3 Section D. Construction and Operation
D23
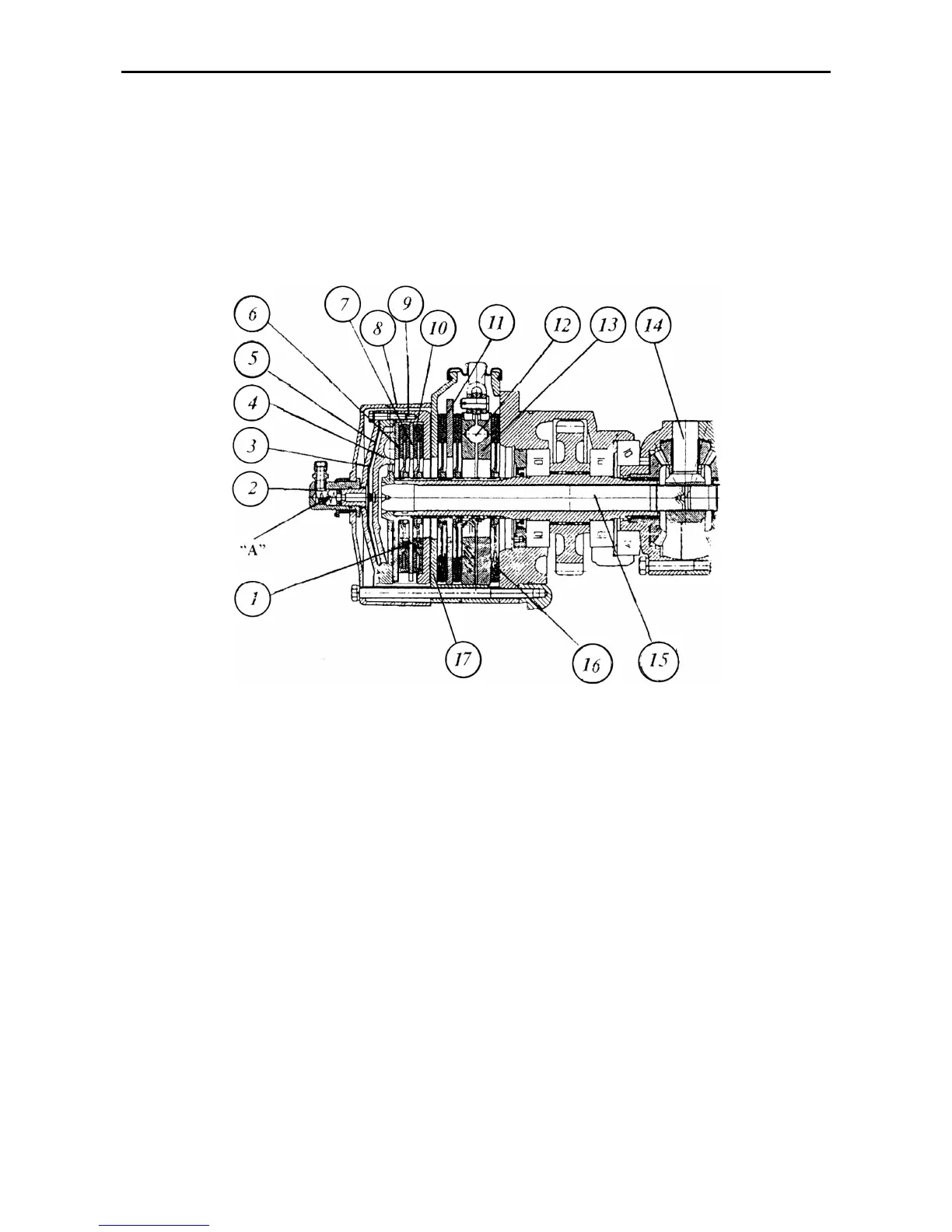
Differential Lock Clutch and Three-Disk Service Brake
The multiple-disk hydraulically controlled
differential lock clutch (1) (Fig. E-17) is lo-
cated in casing (8) which is bolted to the
rear axle housing through the housing of
the left-hand three-disk brake and the
bearing body. The three-disk dry service
brake housing (17) contains the brake
disks (16), pressure disks (13), intermedi-
ate disk (11), balls (15) and brake release
springs (not shown).
Fig. D-17. Differential lock clutch:
1 – lock clutch; 2 – adapter; 3 – diaphragm cover; 4 – pressure disk; 5 – diaphragm; 6 – release disk; 7 –
intermediate disk; 8 – housing; 9 – clutch body; 10 – locking; 11 – brake intermediate disk; 12 – ball; 13 –
pressure disk; 14 – differential spider; 15 – lock-up shaft; 16 – brake disk; 17 – left-hand three-disk brake
housing.
The clutch consists of lock-up shaft (15)
which is spline-coupled with the differen-
tial spider (14), body (9), pressure disk
(4), release disk (6), diaphragm (5), cover
(3), adapter (2) and disks (10) spline-
mounted on the left-hand wheel transmis-
sion pinion.
Under the action of oil delivered under
pressure to the rod-end chamber “A” from
the ADL control hydraulic system, the
diaphragm (5) in conjunction with the
pressure disk (4) moves and presses
disks (10) against the bearing surfaces of
the clutch body (9), intermediate disk (7)
and release disk (6) so that the differen-
tial (the differential spider with the left-
hand half-axle gear) gets locked. When
the front wheels turn to a certain degree
from the straight-line motion, the rod-end
chamber “A” opens to the discharge line,
and the differential unlocks.