EasyManua.ls Logo

MTZ 1220.3 - Page 74

MTZ 1220.3
244 pages
Print Icon
To Next Page IconTo Next Page
To Next Page IconTo Next Page
To Previous Page IconTo Previous Page
To Previous Page IconTo Previous Page
Loading...
MTZ 1220.1/1220.3 Section D. Construction and Operation
D26
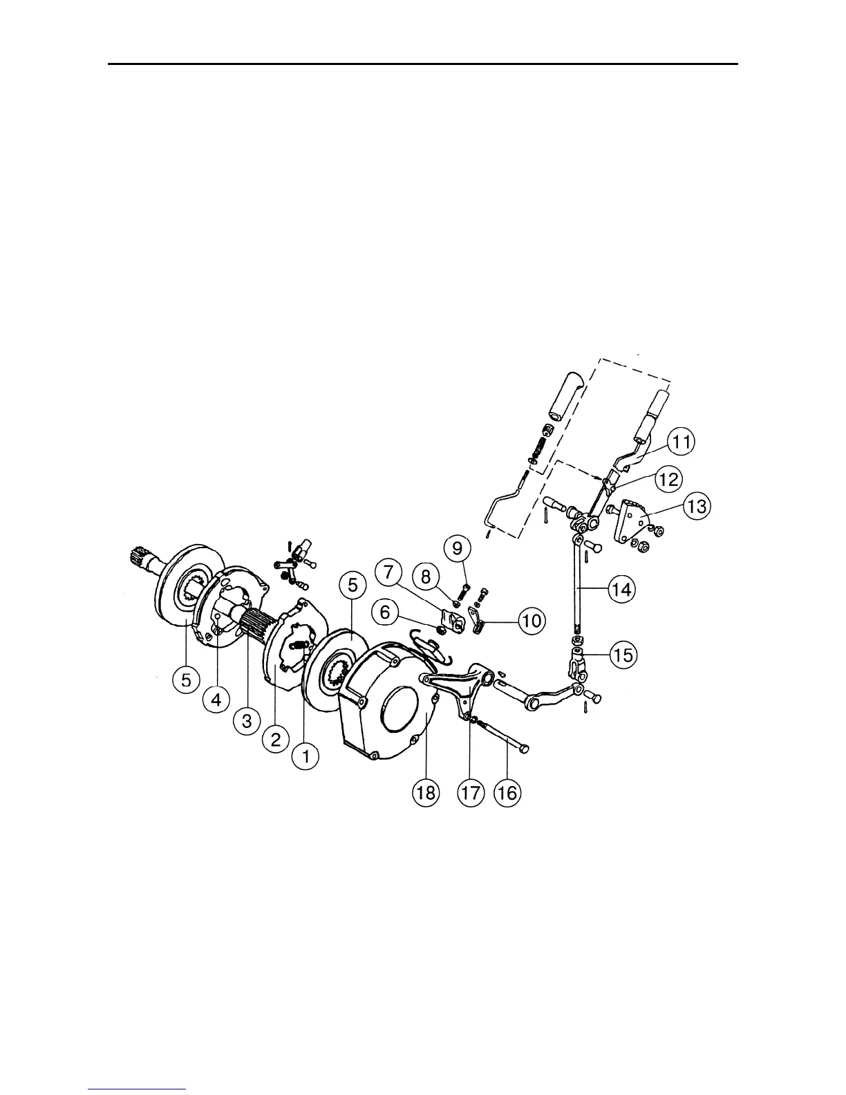
Parking brake
The tractor is equipped with a dry two-disk
parking brake of reduced standard size
(with the diameter of 178 mm), attached to
the housing of the right-hand service
brake. The brake disks (5) (Fig. E-21) are
mounted on the splines of the shaft (3) lo-
cated inside the right-hand hub-drive pin-
ion shaft and is connected to the rear-axle
differential spider.
The parking brake is applied with the help
of lever (11) placed on the right-hand wall
of the cab. The lever is locked when set to
work by means of a stop catch (12) on the
toothed sector (13).
With the parking brake applied, the differ-
ential spider interlocks with the rear axle
housing through the shaft (3), pressure
disks (2), brake disks (5), and casing (18).
Fig. D-21. Parking brake structure and control:
1 – spring; 2 – pressure disk; 3 – shaft; 4 – ball; 5 – brake disk; 6 – check-nut; 7, 11 – lever; 8 – spherical
washer; 9 – adjusting bolt; 10 – brake cock drive lever; 12 – stop catch; 13 – sector; 14 – tie-rod; 15 – fork;
16 – bolt; 17 – bracket; 18 – case