EasyManua.ls Logo

MTZ 1220.3 - Page 83

MTZ 1220.3
244 pages
Print Icon
To Next Page IconTo Next Page
To Next Page IconTo Next Page
To Previous Page IconTo Previous Page
To Previous Page IconTo Previous Page
Loading...
MTZ 1220.1/1220.3 Section D. Construction and Operation
D35
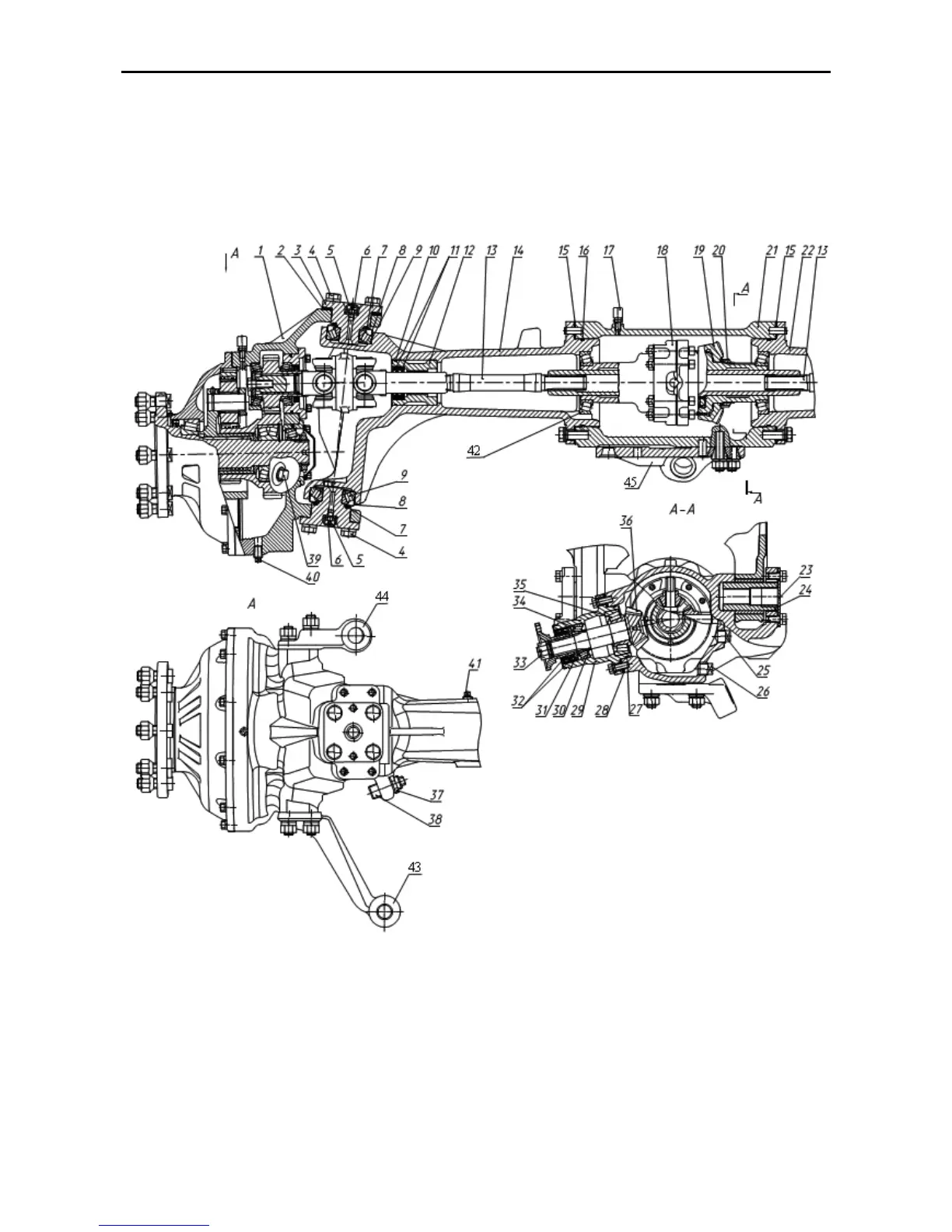
Front driving axle
The front driving axle (FDA) is intended for transmitting the torque from the engine to
the front steerable wheels of the tractor. It consists of the final drive, differential and wheel
reduction gears.
Its final drive is a pair of conical gears with the helical tooth. The design of FDA with two-
speed planetary cylindrical reducing gears of final drives is given on Fig. Д-24.
1 – driven bevel gear; 2, 15, 28 – adjusting shims; 3 – steering knuckle pivot spindle; 4 – bolt; 5 – cap; 6 –
lubricator; 7, 10, 16, 27 – rubber ring; 8 – sleeve; 9, 34, 35taper roller bearing; 11, 32 – collar; 12 – fixture;
13 – half-axle shaft; 14 left-hand housing; 17 – breather; 18 differential; 19 driven bevel gear; 20 nut;
21 FDA casing; 22 right-hand housing; 23 washer; 24 pivot; 25 – plug; 26 draining plug; 29 driv-
ing gear carriage; 30adjusting washers; 31 wiper ring; 33 – nut; 36driving bevel gear; 37 – locknut; 38
– screw; 39 – filling plug; 40 – draining plug, 41 – filling plug, 42 – lubricator.
Fig. D24 – FDA with two-stage planetary-cylindrical reduction of final gear