EasyManua.ls Logo

MTZ 1220.3 - Page 89

MTZ 1220.3
244 pages
Print Icon
To Next Page IconTo Next Page
To Next Page IconTo Next Page
To Previous Page IconTo Previous Page
To Previous Page IconTo Previous Page
Loading...
MTZ 1220.1/1220.3 Section D. Construction and Operation
D41
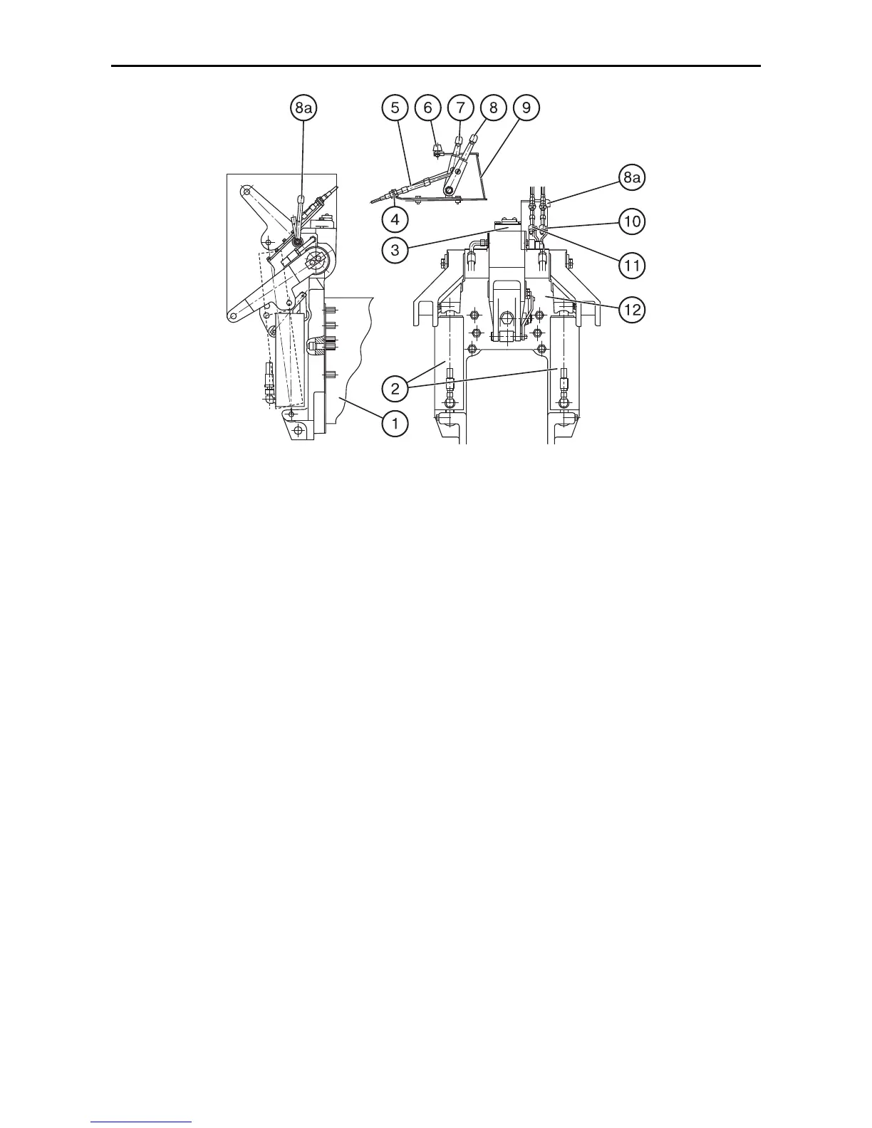
Fig.D-29. Hydraulic power lift of the HLL (monoblock):
1 – rear axle casing; 2 – power ram cylinders; 3 – regulator-distributor; 4 – brackets; 5 – position (10)
and draft (11) lever control ropes; 6adjustable RHL travel limiter; 7 – draft control handle; 8 – position con-
trol handle; 8a – additional position control handle; 9 – right-hand side control panel; 10 – position lever; 11 –
draft lever; 12 – casing.
The draft control handle (7) (Fig.
E-29) is located on the right-hand control
panel (9), the first from the operator’s
seat. The operational range of the handle
positions is marked with digits from 1 to 9
that corresponds to the entire span of
ploughing depths from minimal to maxi-
mal ones, respectively.
The position control handle (8) (Fig. E-
29) is located next to the draft control
handle (7). Its operating range is marked
with the same digits which cover RHL po-
sitions from the upper transport position
down to the lowermost position, respec-
tively.
The additional position control handle
(8a) (Fig. E-29) is located on the rear of the
tractor on the hydraulic power lift. Pulling
this handle towards the operator standing
behind the tractor and looking along the
tractor forward travel lifts the RHL and push-
ing the same from the operator lowers the
RHL.
The RHL travel limiter (6) is located in the
slot of the right-hand side panel, in which
the position control handle (8) moves.
The positions of the oil tank, oil pump fil-
ter and the distributor to control external
loads are unchanged. The distributor is of
a sectional flow-through type; it has prior-
ity in control over the hydraulic power lift.
Hydraulic Power Lift (Fig. D-29, E-30)
The hydraulic power lift (Fig. E-29) is in-
stalled on studs, on the rear wall of the
rear axle casing (1) and consists of a con-
trol unit and a regulator-distributor (3) built
in a single casing (monoblock) which
houses two hydraulic single-acting power
cylinders (2).