EasyManua.ls Logo

MUFU V10S - Step 2: Product Overview

MUFU V10S
30 pages
Print Icon
To Next Page IconTo Next Page
To Next Page IconTo Next Page
To Previous Page IconTo Previous Page
To Previous Page IconTo Previous Page
Loading...
7
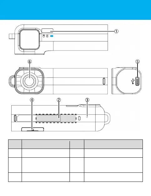
Step 2: Product Overview
No
Description
No
Description
1
LED
indicator
4
microSD
slot / Reset
2
Power on/off
sensor area
5 USB port (type C)
3
Microphone
6
Lens

Related product manuals