EasyManua.ls Logo

MULTIQUIP QP2TH - Pump Assembly

MULTIQUIP QP2TH
40 pages
Print Icon
To Next Page IconTo Next Page
To Next Page IconTo Next Page
To Previous Page IconTo Previous Page
To Previous Page IconTo Previous Page
Loading...
PAGE 30 — QP2TH TRASH PUMP • OPERATION AND PARTS MANUAL — REV. #5 (01/29/14)
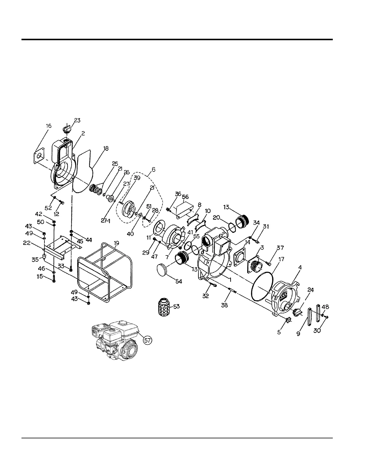
PUMP ASSEMBLY

Related product manuals