EasyManua.ls Logo

MULTIQUIP SP113H18 - Control Assembly

MULTIQUIP SP113H18
74 pages
Print Icon
To Next Page IconTo Next Page
To Next Page IconTo Next Page
To Previous Page IconTo Previous Page
To Previous Page IconTo Previous Page
Loading...
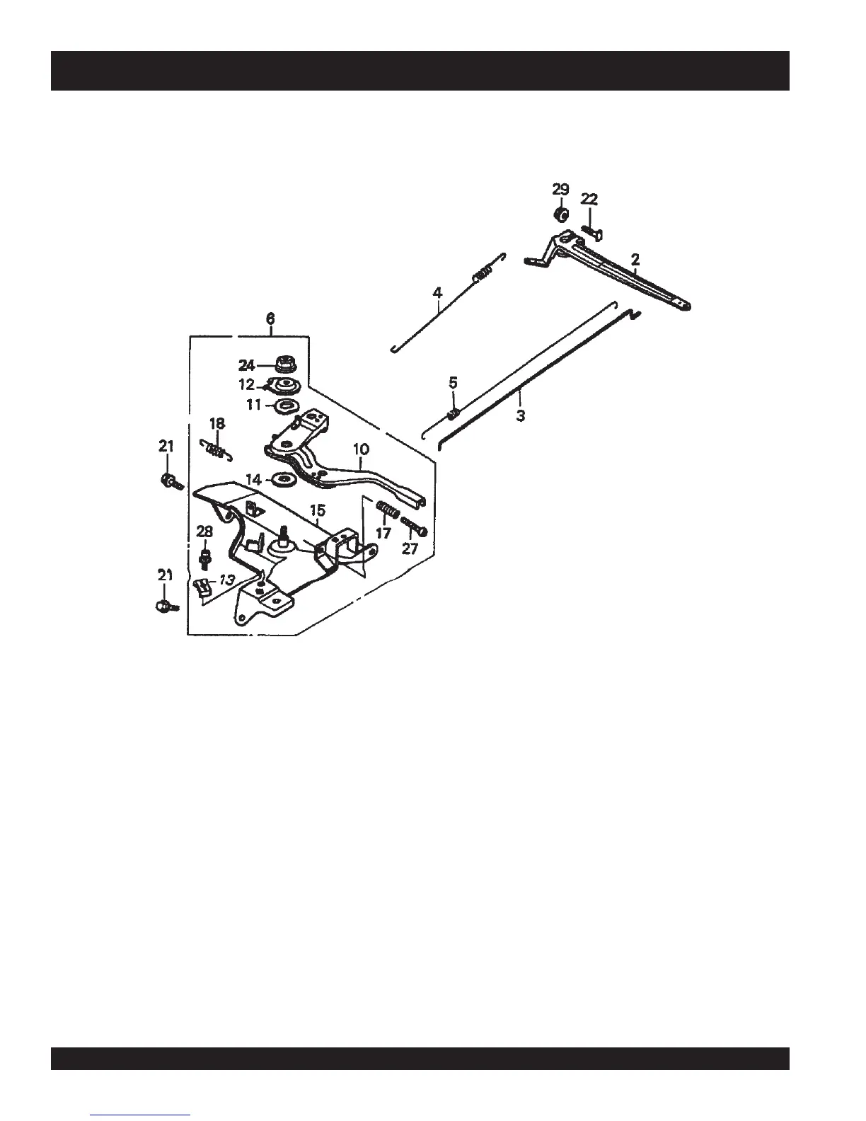
PAGE 48 — SP 1 SAW — OPERATION AND PARTS MANUAL — REV. #6 (06/09/08)
CONTROL ASSY.
HONDA GX390K1QWT2/GX390U1QWT2 ENG. — CONTROL ASSY.