EasyManua.ls Logo

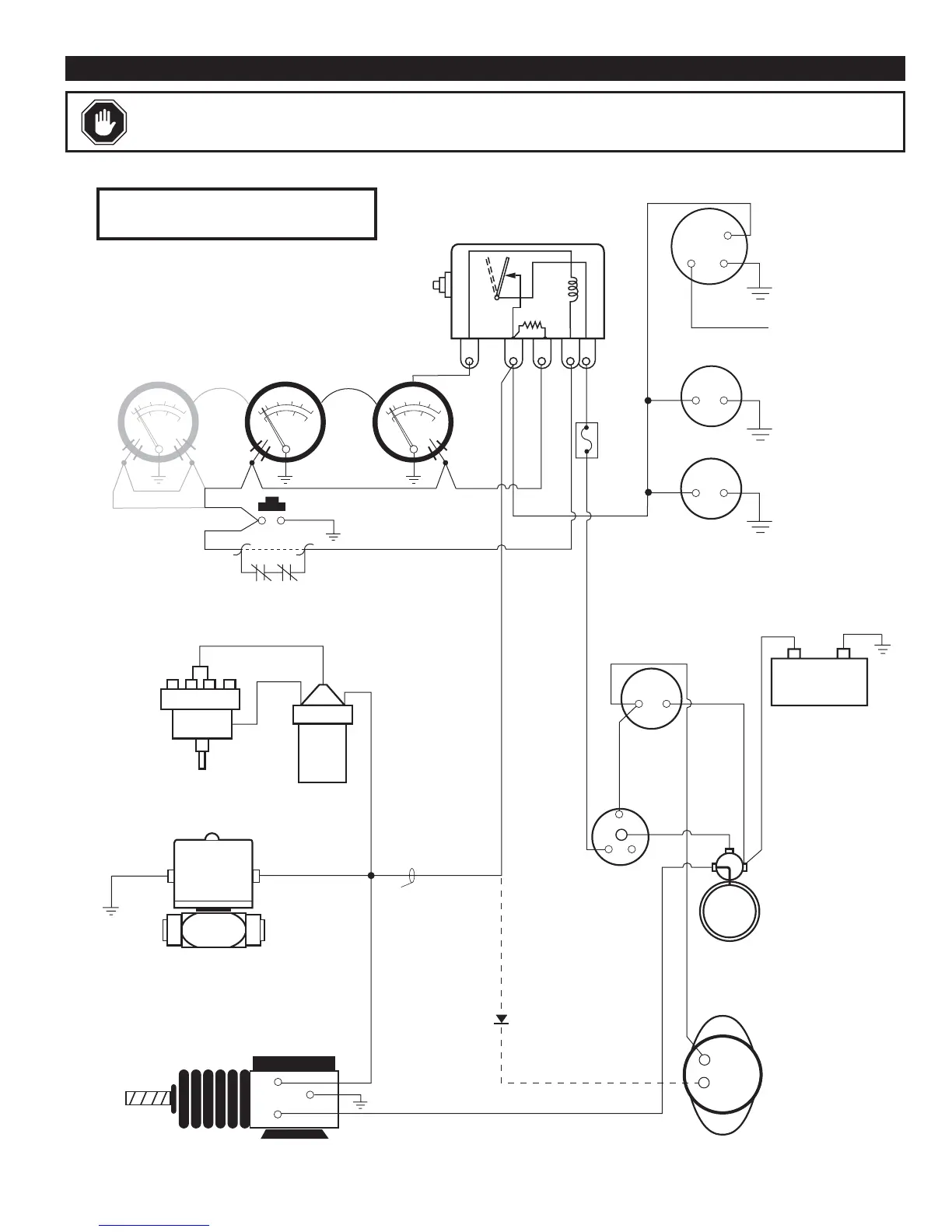
Murphy Engine Panels WD300-LV - Typical Wiring with 518 Ph Tattletale Closed Loop

Murphy Engine Panels WD300-LV
7 pages
Print Icon
To Next Page IconTo Next Page
To Next Page IconTo Next Page
To Previous Page IconTo Previous Page
To Previous Page IconTo Previous Page
Loading...
WS-93002N page 4 of 7
R
GNC
SW1 SW2
B
B
+
GRDSIG
Tachometer
Hourmeter
Voltmeter
518PH
20T-F
Temperature
20P-F
Pressure
_
+
_
+
To Magnetic Sensor,
Alternator “Tach”
Terminal, or
Signal Generator
PB128S Stop Switch
To
Other Normally Closed Contacts
From
518PH WIRED CLOSED LOOP
MUST specify 12 or 24 VDC
Other
Swichgage instruments
Ignition coil
Distributor
Fuel Valve
Energized to Run
Rack Pull Solenoid
(RP2300 Series shown)
Energized
to Run
_
+
Ammeter
Battery
_
+
ST
ACC
IGN
BAT
Start
Switch
Alternator
B
+
Starter
S
B
Exciter
CAUTION: This wiring is typical for Murphy W-Series small engine panels. Items shown may or may not be included in your panel;
however, the circuit is typical of how the component will be wired if it is included. Refer to installation instructions for the specific
component if included. For off-panel items such as shutdown devices, see specific instructions supplied with the device.
TYPICAL WIRING WITH 518PH TATTLETALE CLOSED LOOP

Related product manuals