EasyManua.ls Logo

Murray 425015x92A - Mower Housing Suspension

Murray 425015x92A
52 pages
Print Icon
To Next Page IconTo Next Page
To Next Page IconTo Next Page
To Previous Page IconTo Previous Page
To Previous Page IconTo Previous Page
Loading...
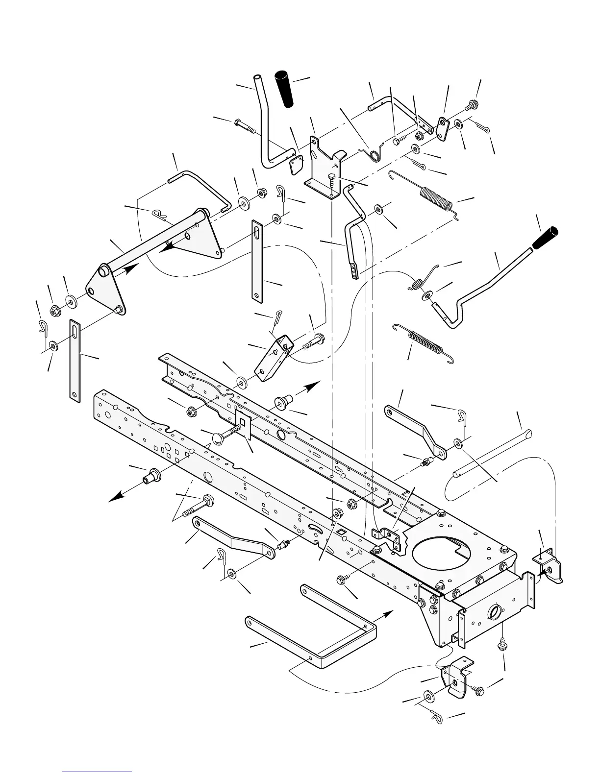
REPAIR PARTSMODEL 425015x92A
42
F–040734L
MOWER HOUSING SUSPENSION
1
2
3
4
5
6
7
8
14
14
9
10
11
12
12
11
13
14
15
16
17
18
19
20
20
21
22
22
23
24 24
24
25
25
11
15
27
26
26
24
25
15
33
34
36
37
32
32
38
31
24
30
25
41
43
15
30
31
44
42
24
7
40
39
39
45

Table of Contents

Related product manuals