EasyManua.ls Logo

Murray 461004x92A - Page 47

Murray 461004x92A
60 pages
Print Icon
To Next Page IconTo Next Page
To Next Page IconTo Next Page
To Previous Page IconTo Previous Page
To Previous Page IconTo Previous Page
Loading...
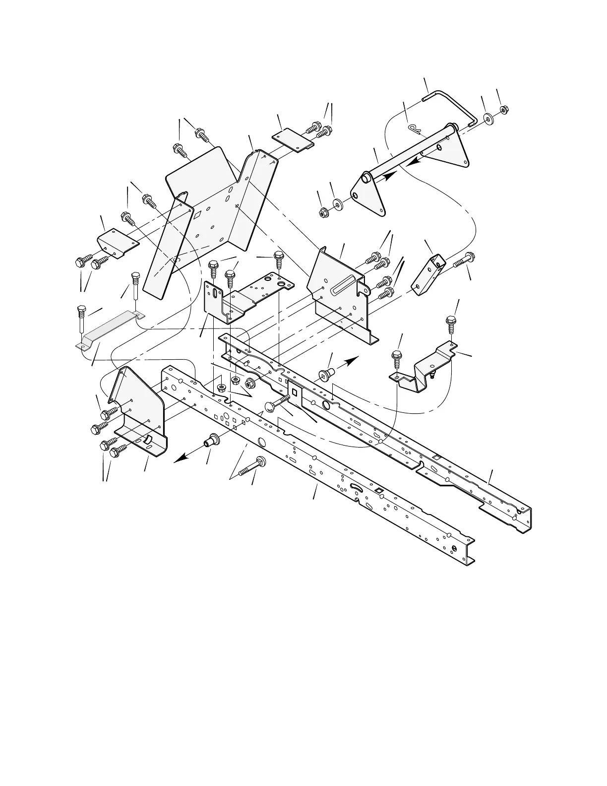
REPAIR PARTSMODEL 461004x92A
47
F–040741L
REAR FRAME ASSEMBLY
1
2
3
3
3
2
3
3
4
5
6
7
8
4
5
9
3
3
10
11
3
3
13
14
15
4
16
17
18
3
3
19
13
14
20
21
22
23
Key
No. Part No. Description
Key
No. Part No. Description
1 690094E701 Frame, Rear Hitch
2 690077E700 Bracket, Seat Deck
3 26x249 Screw
4 015x84 Nut, Flange
5 17x168 Washer
6 690122E700 Link, Lift Handle
7 0031x4 Pin, Hair
8 1001111E701 Assembly, Lifter
9 1001691E700 Bracket, Left Transaxle
10 094015E700 Bracket, Lift Pivot
11 009x53 Bolt, Shoulder
13 690151 Spacer, Lifter
14 002x85 Bolt, Carriage
15 015x79 Nut, Flange
16 1001302E701 Bracket, Right Shift
17 094384 Screw, Guide
18 690482E701 Support, Battery
19 690064E700 Bracket, Right Transaxle
20 1001268E701 Frame, Right
21 1001269E701 Frame, Left
22 690365 Z Bracket, Idler
23 1001098E701 Plate, Stiffening

Table of Contents

Related product manuals