EasyManua.ls Logo

N'Finity 4200 - Controller Wiring Schematic

Default Icon
26 pages
Print Icon
To Next Page IconTo Next Page
To Next Page IconTo Next Page
To Previous Page IconTo Previous Page
To Previous Page IconTo Previous Page
Loading...
Page 15www.wineenthusiast.com
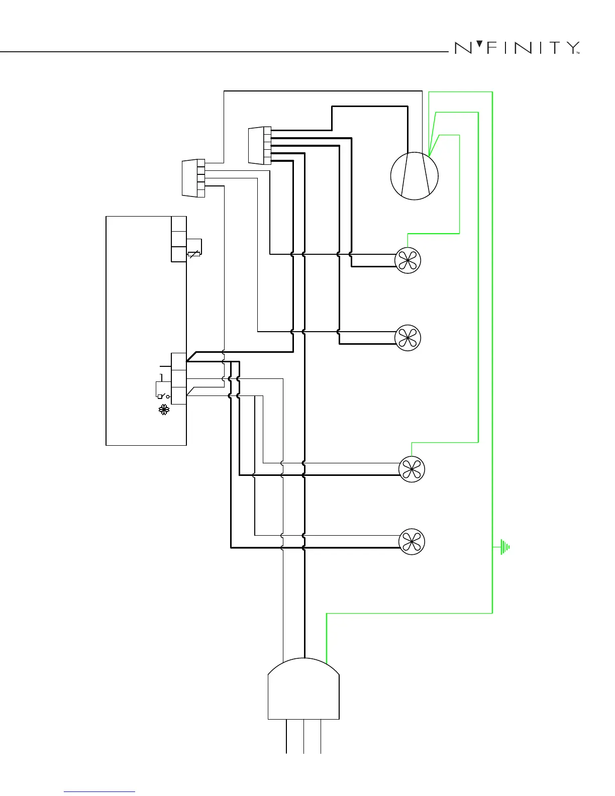
CONTROLLER WIRING SCHEMATIC
Cond.
Fan
Compressor
Cond.
Fan
Evap
Fan







Evap
Fan




 





Related product manuals