EasyManua.ls Logo

Nabtesco RV E Series - Page 18

Default Icon
90 pages
Print Icon
To Next Page IconTo Next Page
To Next Page IconTo Next Page
To Previous Page IconTo Previous Page
To Previous Page IconTo Previous Page
Loading...
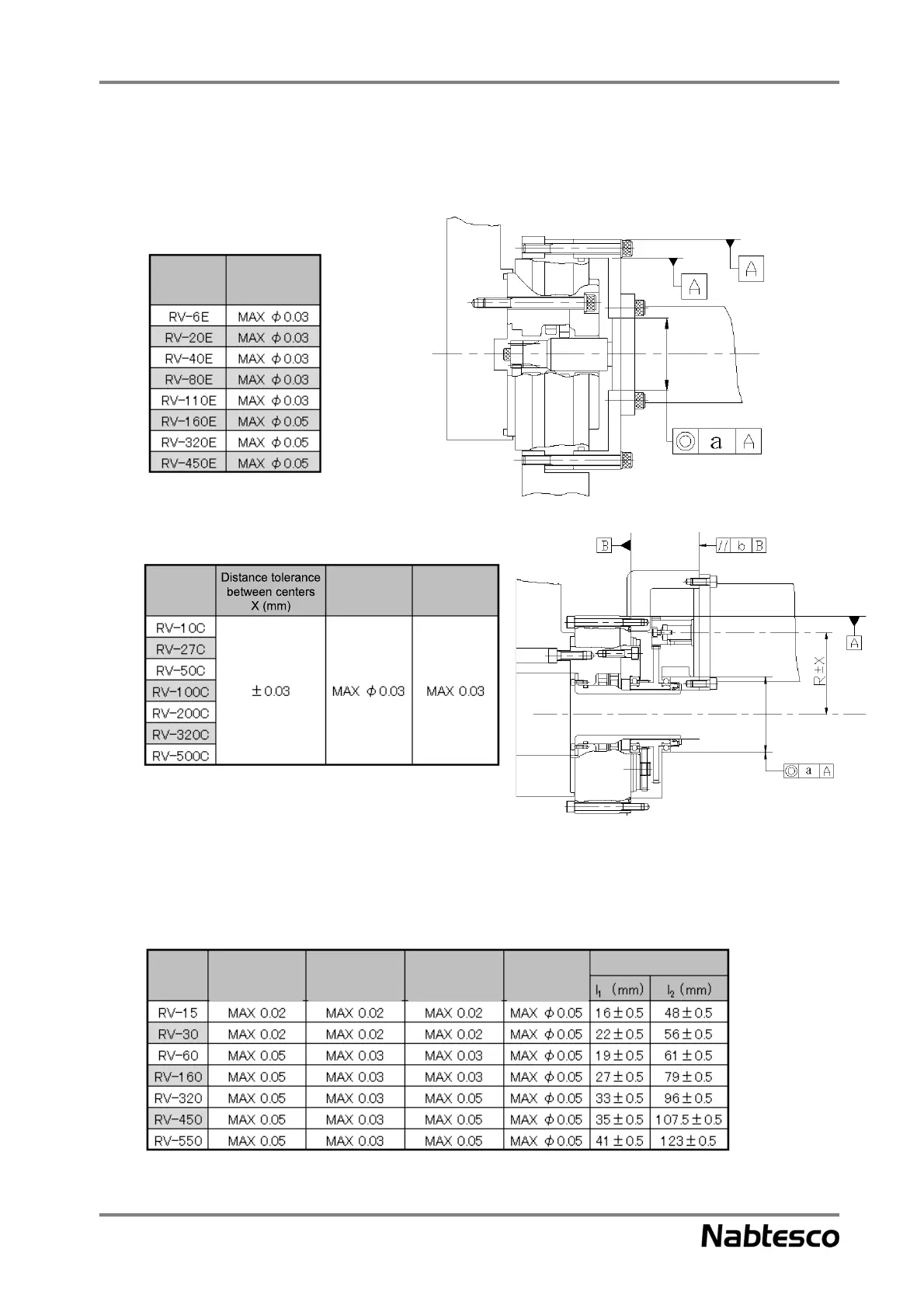
Chapter 4 Preparations for installation
10
Design the motor mounting flange to the following accuracy. If the installation accuracy is poor, it
will result in vibration, noise, and increase in backlash. If a model other than those listed below is
used, contact our service representative.
<Installation accuracy> (E series)
Table 4-1
<Installation accuracy> (C series)
Table 4-2
<Installation accuracy> (Original series)
The reduction gear of the original series will be embedded in the equipment as a component.
When designing a system, be sure that the external thrust load and radial load are not applied to the
reduction gear.
Table 4-3
Fig. 4-4
(110E or above)
Model
Concentricity
tolerance
a (mm)
Model
Concentricity
tolerance
a (mm)
Parallelism
tolerance
Fig. 4-5
Model
Circumference
deviation tolerance
a (mm)
Runout
tolerance
b (mm)
Runout
tolerance
c (mm)
Concentricity
tolerance
d (mm)
Dimension accuracy on the
mounting side