EasyManua.ls Logo

NAD 116 - Schematic Diagram: Input and Output Stages

NAD 116
19 pages
Print Icon
To Next Page IconTo Next Page
To Next Page IconTo Next Page
To Previous Page IconTo Previous Page
To Previous Page IconTo Previous Page
Loading...
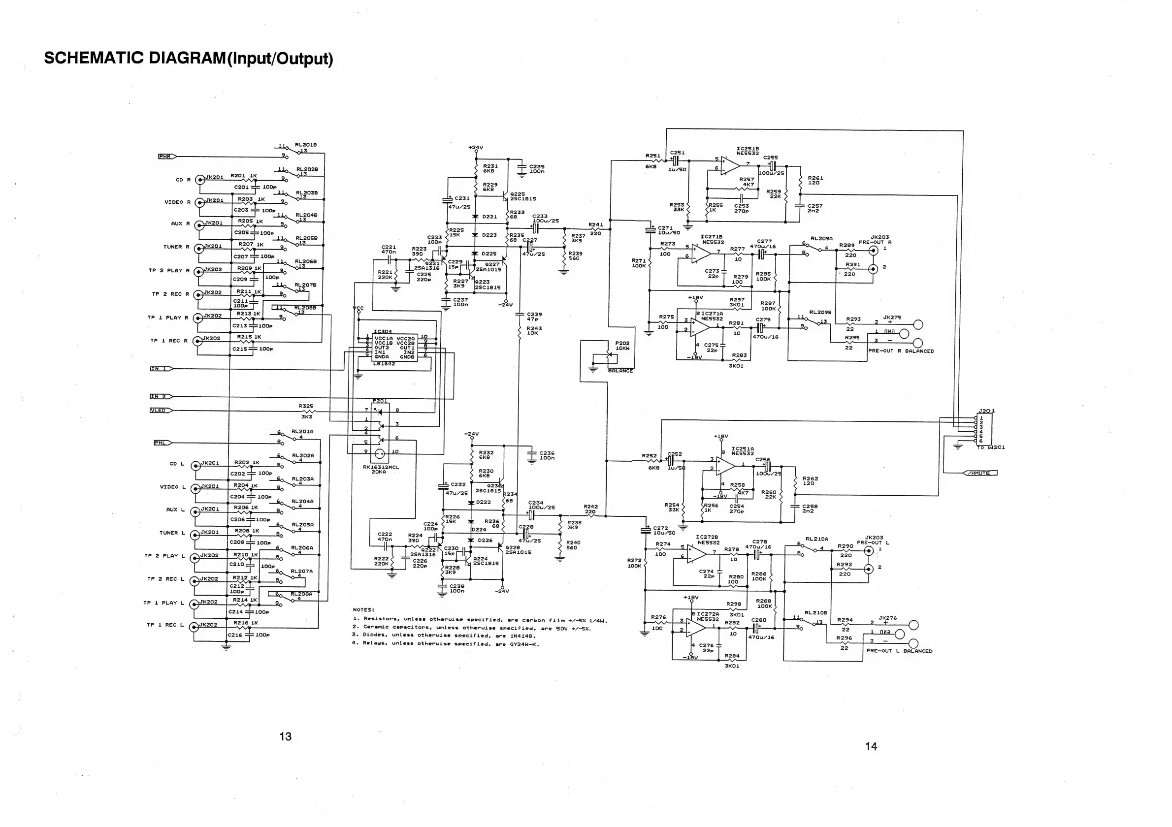
SCHEMATIC
DIAGRAM
(Input/Output)
RL201B
~
RL202B
R201
1K
.
6
ae
(eyik201
:
C201
100p
.
Oo.
RL203B
R203
1K
A
0
VIDEO
R
(ejeK204
2p
ny
RL204B
AUX
R
(oyik203
R205
1k
2,
o
11,
RL205B
TUNER
R
(oO
K201
R207
1K
2
oO
-
RL206B
TP
2
PLAY
R
(@yiK202
R209
1K
TP
2
REC
R
TP
1
PLAY
R
TP
1
REC
R
TN
i>
NZ
>
VrED
>
B,
RLZOLA
'
O—
PHL
8.
Bo
RL202A
4
cD
L
Que
R202
1K
2,
~<
=O)
Seeoen
VIDEO
L
(@ysK201
R204
ik
Bo
RL204A
AUX
L
(oyik204
R206
1K
3,
0
Bo
RL2Z05A
TUNER
L
(oy
ik203
R208
1K
2,
.
Bo.
RL206A
TP
2
PLAY
L
Ce
R210
1K
TP
2
REC
L
(oy
ik
202
100p
13
+249
C)
C235
_L.
100n
Qa225
+
c231
y
25C181S
47u/25
R2
D221
68
C233
5
iL
R241
R225
c223
¢15K
R235
R237
220
100p
-
68
C227
3K9
C221 R223
-
470n
47u/25
R239
Q221
ied
2SA1L316
of
220K
SoGn
R227
1a223
3K9
i.
Resistors,
unless
otherwise
specified,
are
carbon
film
+/-S%
1/4.
2.
Ceramic
capacitors,
unless
otherwise
specified,
are
SOV
+/-S%.
3.
Diodes,
unless
otherwise
specified,
are
1N4148.
4.
Relays,
unless
othervise
specified,
are
GY24W-K.
C237
A
100n
—24V
.
6239
47p
R243
10K
34
P202
a
7
10KW
ir
2a
a
GNDA
GNDB
a
a
=
BALA
a
a
oar
Bg
+24V
©)
C236
-L.
100n
RK16312MCL
20KA
C232
a7ur2s
|
28C1815
D222
C234
100u/25
R242
x
220
C224
ze
F
100p
D224
C228
3K9
C222
R224
aah
ok
390
4?U/25
eae
228
560
“aZze2
—e
2S5A1316
ee
2SA1015
Lf
;
C226
=
220K
Scor
Raoy
4
28Cieis
3K9
C238
A
100n
—24V
‘NOTES!
C251
NESS32
R251
yi
page
2
6kK8
SS
3
iia
100u/725
R261
120
R259
22K
R253
R255
c¢253
C257
as
ik
270p
2n2
Bite
©
~
12718
pi
soen
JK203
NESS32
C277
PRE-OUT
R
Ae
470u/16
>
R277
iF
R274
100K
R285
100K
R287
100K
BIC271A
RL2098
ae
NESS32
aes
C279
1
+
aa
aA
|
1
ans
e)
=
470u/16
7
0
PRE-OUT
R
BALANCED
3KOL
4a
a
EE
-
Ei
ees
|
——-
4
ds
+18V
d
5
>=
W201
8
NESSSS
°
52
R252
i
oe
:
6K8
iu/sq
100u/25
R262
4
Rese
120
.
7
F
R260
~18V
22K
R254
R256
¢25q
c25e
33K
1K
270p
2n2
{o0750
oe
A
ied
Rages
470u/16
Bo
4
_
R290
:
>
R278
hi
7
|
-
100K
R286
100K
R288
100K
8
1c272A
SKOL
RL210B
sates
ESSS2
pose
C280
13
ia
470u/16
ei
:
PRE-OUT
L
BALANCED
14

Other manuals for NAD 116

Related product manuals