EasyManua.ls Logo

NAD 906 - Schematic Diagram; Amplifier Circuit Schematics

NAD 906
13 pages
Print Icon
To Next Page IconTo Next Page
To Next Page IconTo Next Page
To Previous Page IconTo Previous Page
To Previous Page IconTo Previous Page
Loading...
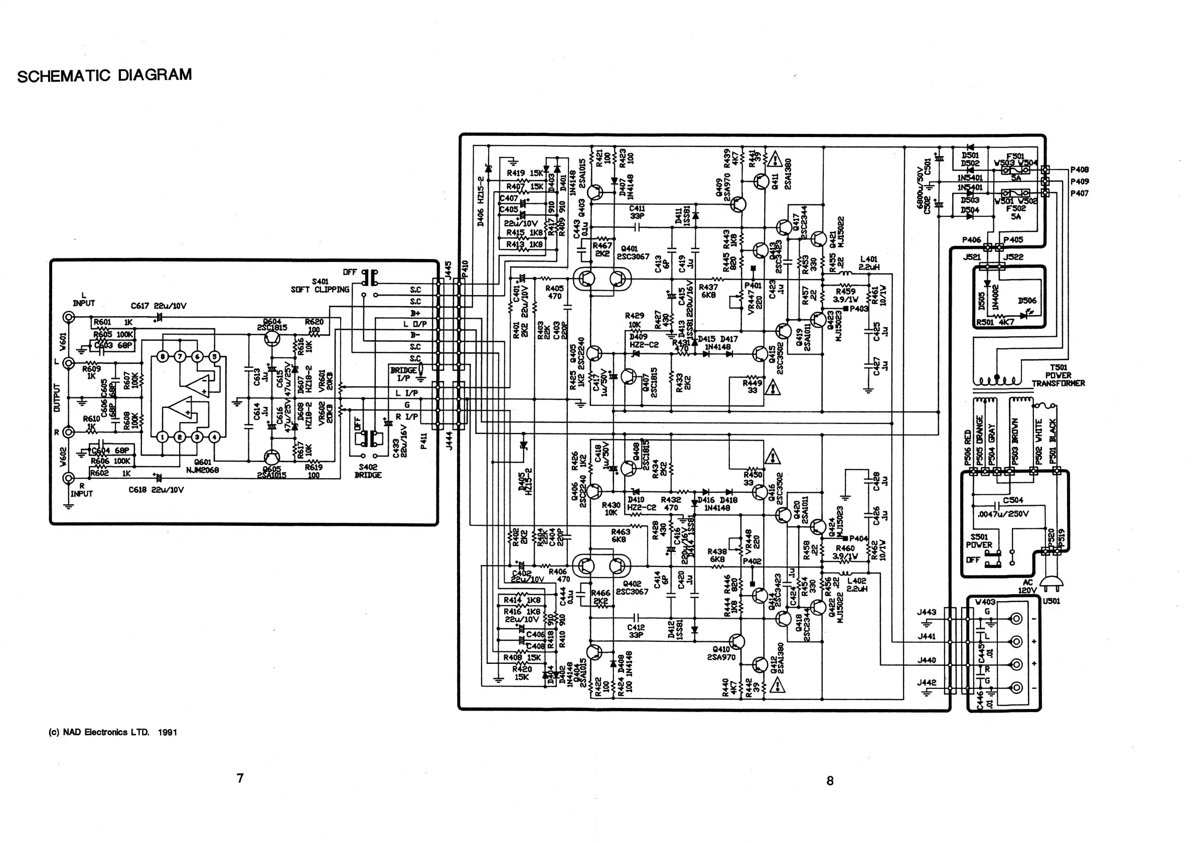
SCHEMATIC
DIAGRAM
$401
SOFT
CLIPPING
T5021
POWER
TRANSFORMER
At/OT
Tova
Ove2ISe
ST
cov
Sery
C617
22u/10V
C618
22u/10V
v¥VD
OI6
Olvy
sponge
|
SYTYNT
1991
(c)
NAD
Electronics
LTD.

Related product manuals