EasyManua.ls Logo

NAD VISO TWO - Page 27

NAD VISO TWO
103 pages
Print Icon
To Next Page IconTo Next Page
To Next Page IconTo Next Page
To Previous Page IconTo Previous Page
To Previous Page IconTo Previous Page
Loading...

1
2
3
4
5
6
7
8
9
11
12
13
14
15
16
10
32
31
30
29
28
27
26
25
24
22
21
20
19
18
17
23
1.5-6M
BPF
COUTCTRAP
MUTE1
CIN
GND
GND
YIN
PYIN
V
CC
GND
V
CC
PbIN
PYTRAP
PrIN
MUTE2
GND
PrTRAP
TEST
MIXOUT
MIXFB
GND
GND
GND
GND
YTRAP
YOUT
PYOUT
YFB
PYFB
PbOUT
PrOUT
N.C.
MUTE1 TEST
20k
20k
6M
LPF
12M
LPF
6M
LPF
20k
6M
LPF
CLAMP
75Ω
6dB
75Ω
6dB
75Ω
6dB
75Ω
6dB
75Ω
6dB
75Ω
6dB
MUTE2
CLAMP
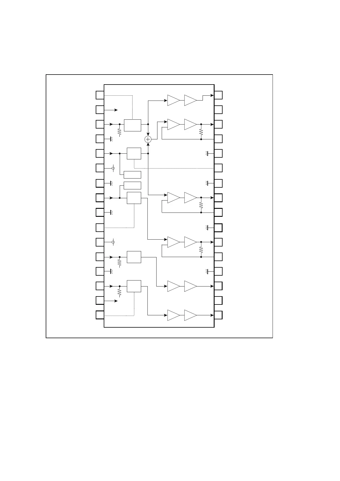
VIDEO DRIVER IC : IC55
2-16

Other manuals for NAD VISO TWO

Related product manuals