EasyManua.ls Logo

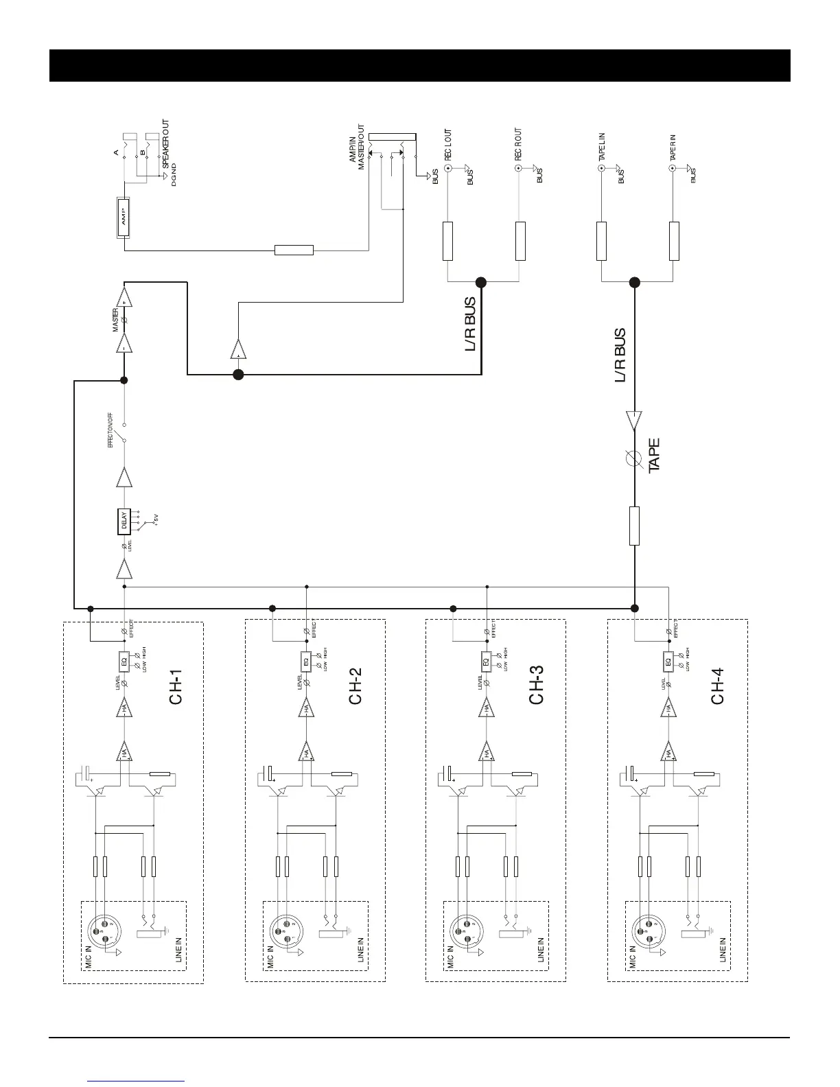
Nady Audio MPM 4130 - Block Diagram

Nady Audio MPM 4130
12 pages
Print Icon
To Next Page IconTo Next Page
To Next Page IconTo Next Page
To Previous Page IconTo Previous Page
To Previous Page IconTo Previous Page
Loading...
BLOCK DIAGRAM
10

Related product manuals