EasyManua.ls Logo

NAMCO Tekken - Schematic

NAMCO Tekken
12 pages
Print Icon
To Next Page IconTo Next Page
To Next Page IconTo Next Page
To Previous Page IconTo Previous Page
To Previous Page IconTo Previous Page
Loading...
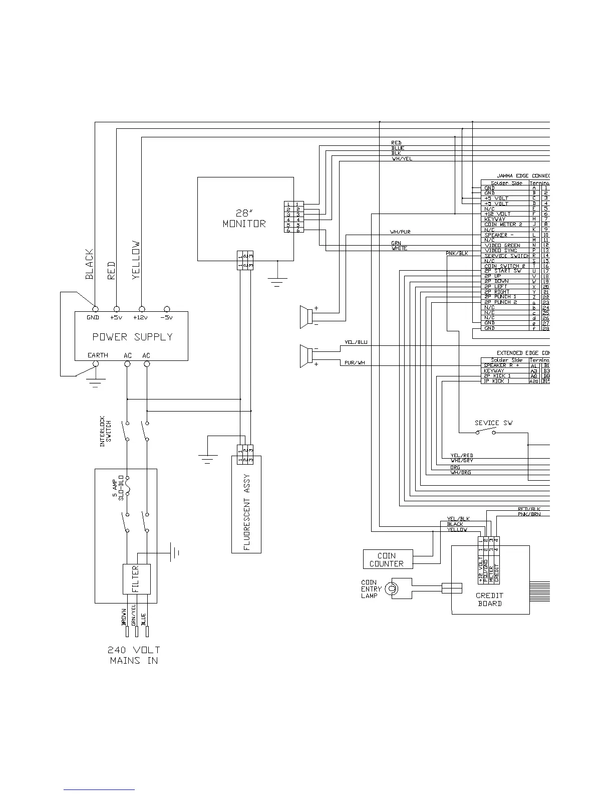
5. SCHEMATIC

Related product manuals