EasyManua.ls Logo

NARDINI MASCOTE MS-175E - Page 28

Default Icon
77 pages
Print Icon
To Next Page IconTo Next Page
To Next Page IconTo Next Page
To Previous Page IconTo Previous Page
To Previous Page IconTo Previous Page
Loading...
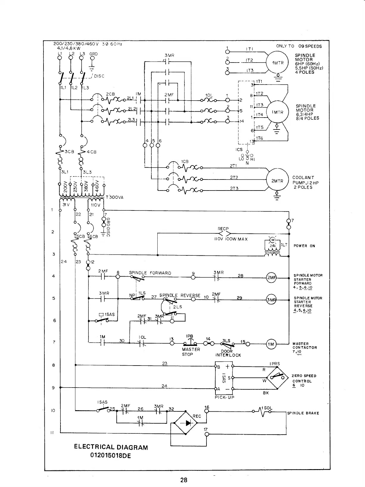
2OO/
23O
/3BO
/460V
3O 6O
Hz
4,1/4,8KW
RECP
INTER
LOCK
ONLY TO
IIVTR
I
PRS
09 SPEEDS
SPINDLE
MOTOR
6HP
(60H2)
5,5HP
(50H2)
4
POLES
SPINDLE
MOTOR
6.3l4HP
874 POLES
COOLAN T
PUMP,I
2 HP
2 POLES
9PINDLE
MOTOR
STARTER
TORWARD
4
,
5,6,lO
SPINDLE MOTOR
STARTE
R
REVERSE
4,
5, 6,tO
IT3
L3
I
GRD
?
-L
:
--,'Dlsc
.3
$-.
nz
r- --
i
I
I
I
I
I'
I
a)1r*-*3
A+;"r
o
HI
L__t_
rcs I
'8Y
T1
N
4C
LJ
-_-l
-)
f'
lr,
tB
3L1
o
o
N
rrov
rbow
uax
)ai-
3MR
SPINDLE
FORWARO
S PIN DL
-t
I
T]
lSAS
MASTER
STOP
MASTER
CON TACTOR
7,t_9-
ZERO SPEED
coNThoL
6to
SPINDLE
BRAKE
,IMTR
:[.
PICK.
U P
ELECTRICAL
DIAGRAM
012015018DE
28
t soova
POWER
ON
I
SAS
3MR

Related product manuals