EasyManua.ls Logo

NARDINI MASCOTE MS-175E - Page 36

Default Icon
77 pages
Print Icon
To Next Page IconTo Next Page
To Next Page IconTo Next Page
To Previous Page IconTo Previous Page
To Previous Page IconTo Previous Page
Loading...
(,
O)
4
r58
r92
....,..:>\
.,
7\:::\
r
;ll-
<i
(€
t86
q
\
lBl
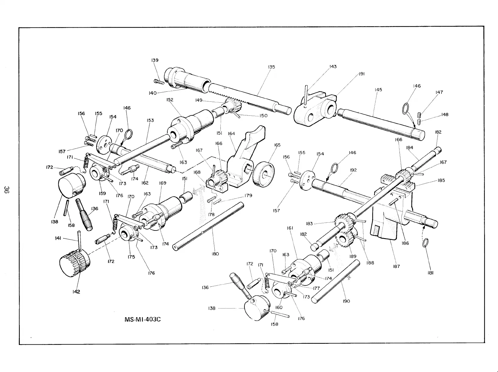
MS-rVil-403C
Z*
).
r58

Related product manuals