EasyManua.ls Logo

NEC NP3150 - Connecting an External Monitor

NEC NP3150
169 pages
Print Icon
To Next Page IconTo Next Page
To Next Page IconTo Next Page
To Previous Page IconTo Previous Page
To Previous Page IconTo Previous Page
Loading...
16
AUDIO
IN
WIRELESS
USB(LAN)
WIRELESS
AUDIO OUT
PHONE
MONITOR OUT
COMPUTER 1 IN (or COMPUTER 2 IN / COMPONENT IN)
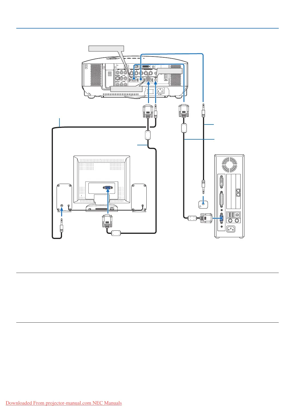
2. Installation and Connections
Connecting an External Monitor
You can connect a separate, external monitor to your projector to simultaneously view on a monitor the RGB analog
or component image you’re projecting.
NOTE:
Daisy chain connection is not possible.
The MONITOR OUT connector will output no video signal (Digital signal) from the COMPUTER 3 (DVI-D) IN connector.
When audio equipment is connected, the projector speaker is disabled.
When [NORMAL] is selected from [STANDBY MODE], the MONITOR OUT connector outputs the last displayed video signal and
the AUDIO OUT jack outputs the last audio signal. The sound level remains the same as the last one.
Selecting [POWER-SAVING] in [STANDBY MODE] stops outputting a video signal from the MONITOR OUT connector during
standby mode. This causes the AUDIO OUT jack to stop outputting sound.
VGA signal cable (supplied)
Audio cable (not supplied)
Audio cable (not supplied)
VGA signal cable (not supplied)
Downloaded From projector-manual.com NEC Manuals

Table of Contents

Related product manuals