EasyManua.ls Logo

Necchi Lock 181 - Knowing Your Machine; Identification Chart

Necchi Lock 181
38 pages
Print Icon
To Next Page IconTo Next Page
To Next Page IconTo Next Page
To Previous Page IconTo Previous Page
To Previous Page IconTo Previous Page
Loading...
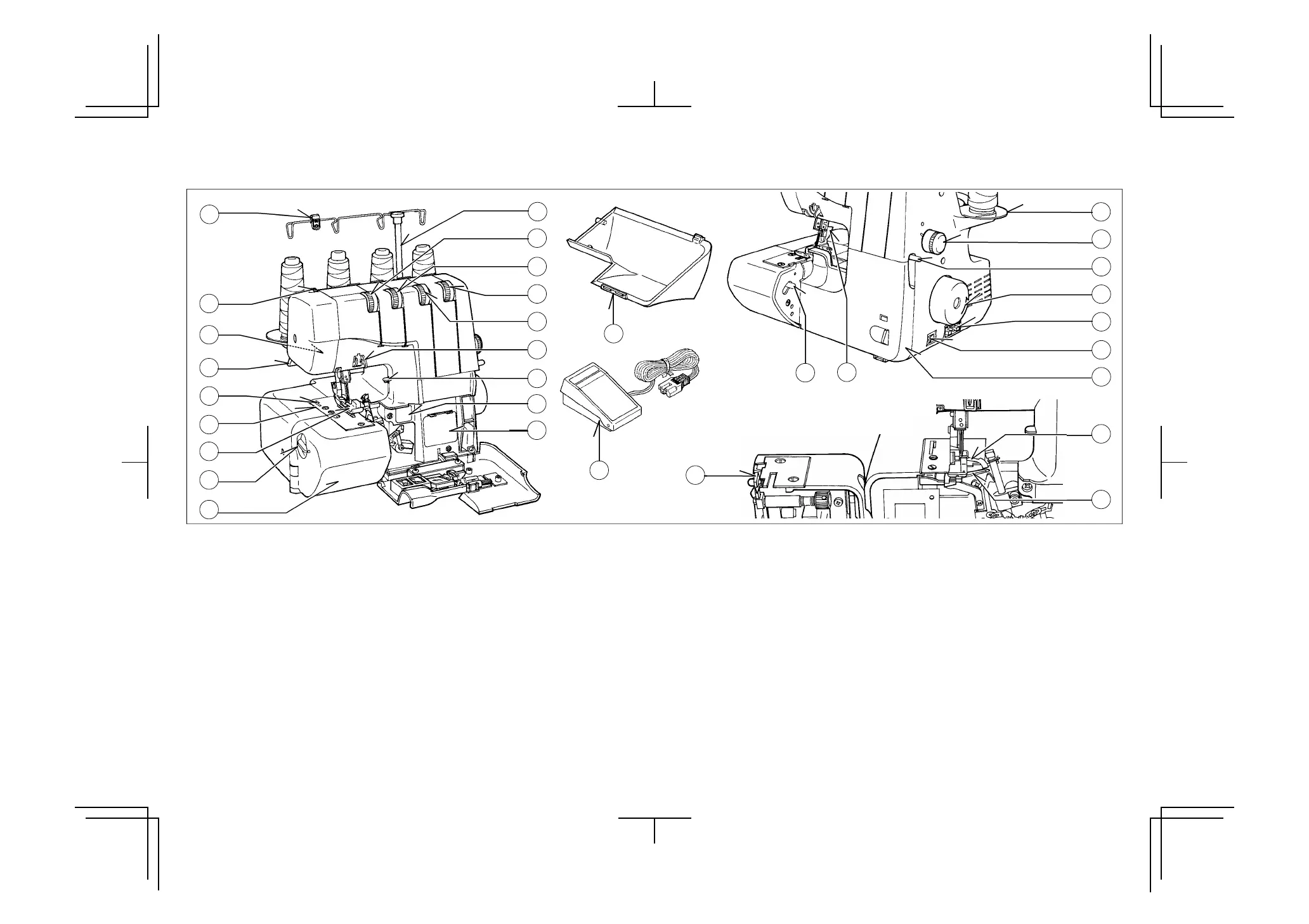
1.CONOSCERE LA MACCHINA/KNOWING YOUR MACHINE
TABELLA D'IDENTIFACAZIONE/IDENTIFICATION CHART
1.Regolazione piedino pressore
2.Luce cucitura
3.Leva piedino pressore
4.Taglia filo
5.Placca ago
6.Piedino pressore
7.Manopola ampiezza taglio sovra orlo
8.Piano lavoro
9.Supporto guidafilo
10.Controllo tensione filo ago sinistro
11.Controllo tensione filo ago destro
12.Controllo tensione filo gancio inferiore
13.Controllo tensione filo gancio
superiore
14.Guida filo ago
15.Leva taglia filo
16.Istruzione convertitore due fili
17.Tabella infilatura
18.Raccoglitore filaccia
19.Reostato a pedale
20.Leva di rilascio
21.Leva rilascio piedino pressore
22.Piastra di prolungamento
23.Manopola lunghezza punto
24.Leva controllo trasporto
differenziale
25.Volantino
26.Presa di connessione spina
27.Interruttore luce e potenza
28.Coperchio frontale
29.Coltello mobile
30.Gancio superiore
31.Gancio inferiore
32.Guida cavo
1.Foot pressure regulator
2.Sewing light
3.Presser foot lever
4.Thread cutter
5.Needle plate
6.Presser foot
7.Overedge cutting width dial
8.Working table
9.Thread guide pole
10.Left needle thread tension control
11.Right needle thread tension control
12.Lower looper thread tension control
13.Upper looper thread tension control
14.Needle thread guides
15.Thread cutter lever
16.Two thread convertor instruction
17.Threading chart
18.Lint tray
19.Foot control
20.Release lever
21.Foot release lever
22.Spool disc
23.Stitch length dial
24.Differential feed control lever
25.Hand wheel
26.Plug connector socket
27.Light and power switch
28.Front cover
29.Moving cutter
30.Upper looper
31.Lower looper
32.Cord guide
2
1
15
14
13
12
11
10
6
5
4
3
2
7
8
9
18
17
19
20
21
28
27
26
25
24
23
22
30
31
29
32
PIANO DI LAVORO APERTO
WORKING TABLE OPENED

Related product manuals