EasyManua.ls Logo

Nelson NS-40 - Page 12

Nelson NS-40
18 pages
Print Icon
To Next Page IconTo Next Page
To Next Page IconTo Next Page
To Previous Page IconTo Previous Page
To Previous Page IconTo Previous Page
Loading...
NS-40 Manual Page 8 729-110-036
Revision 1.14 August 2013
MAINTENANCE INSTRUCTIONS
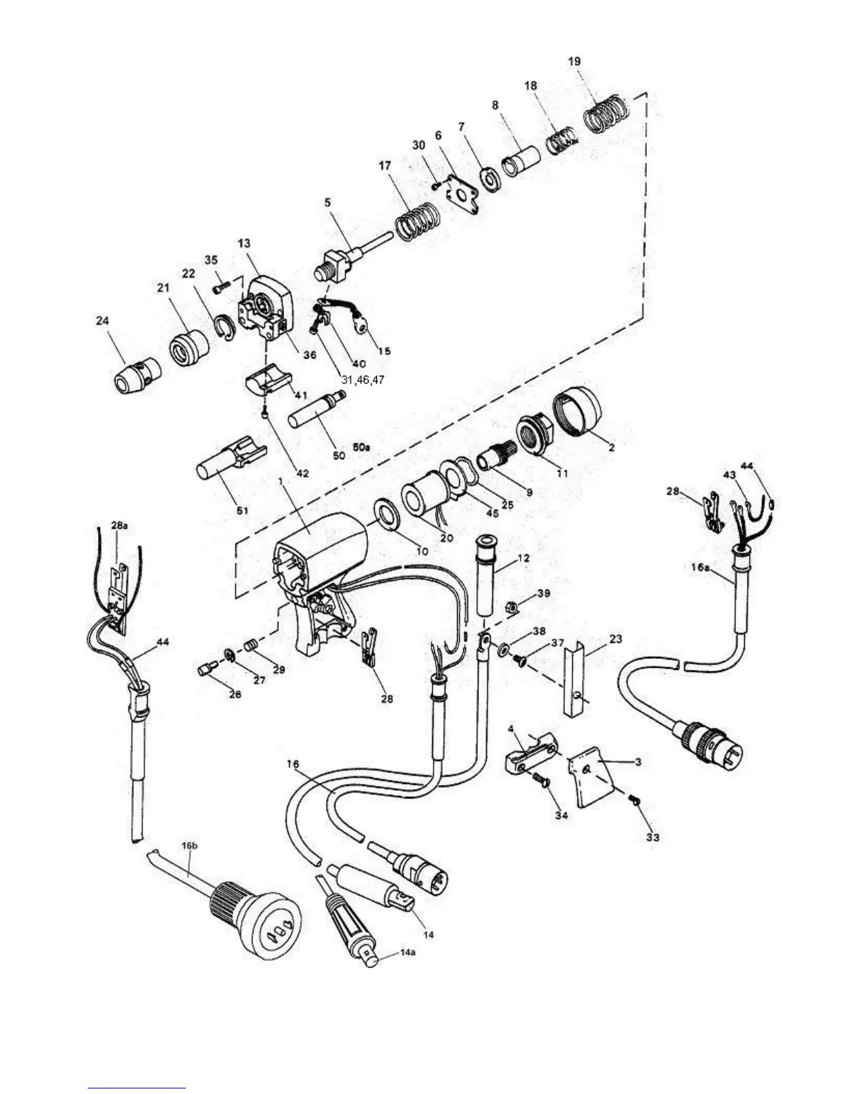
Figure 8

Related product manuals