EasyManua.ls Logo

Newlong DD-5 - Page 17

Newlong DD-5
24 pages
Print Icon
To Next Page IconTo Next Page
To Next Page IconTo Next Page
To Previous Page IconTo Previous Page
To Previous Page IconTo Previous Page
Loading...
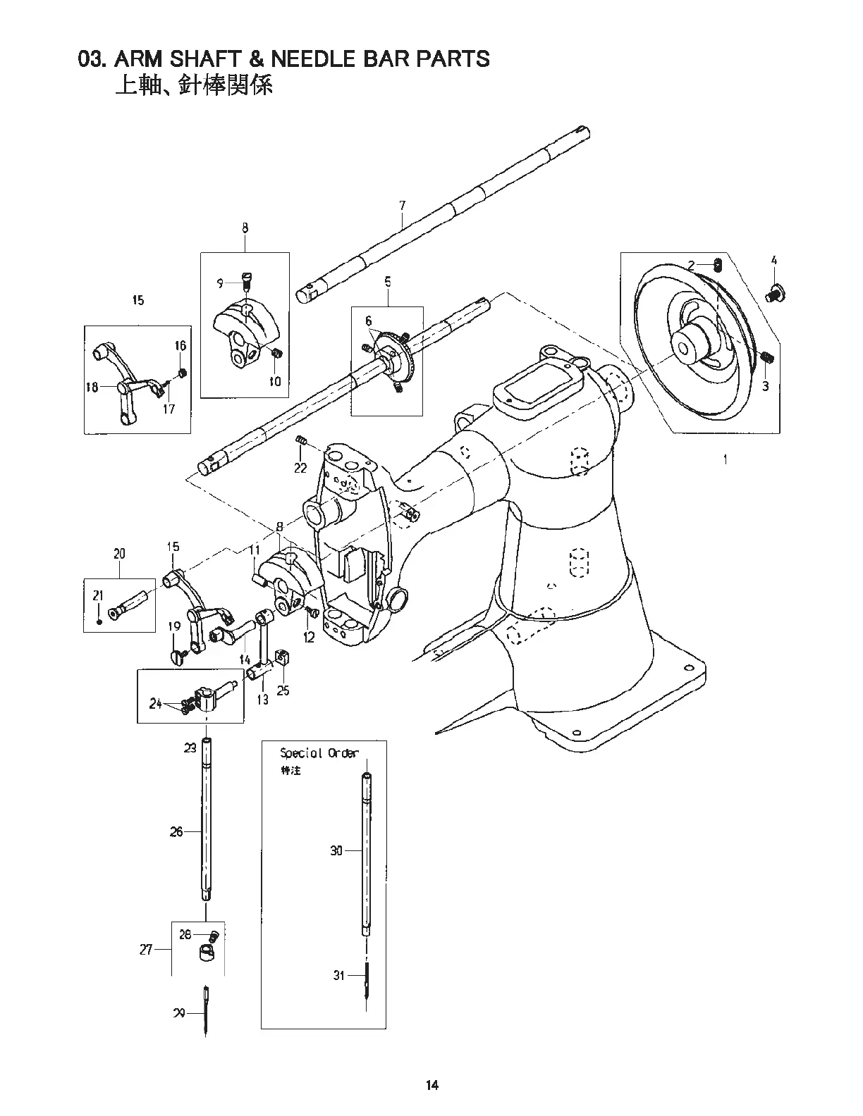
03.
ARM
SHAFT
&
NEEDLE
BAR
PARTS
J:fdl,
***M-f*
23
'
Special
0--der
~JI
'
I
I
J
'
I
I
26
I
'
'
I
30-
1
I
I
I
I
-{1J
I
h'
27
I
~~
311
14
From the Library of Superior Sewing Machine & Supply LLC

Other manuals for Newlong DD-5

Related product manuals