EasyManua.ls Logo

Nidec MCE iBox - Page 347

Nidec MCE iBox
482 pages
Print Icon
To Next Page IconTo Next Page
To Next Page IconTo Next Page
To Previous Page IconTo Previous Page
To Previous Page IconTo Previous Page
Loading...
System 12 SCR Drive
Manual # 42-02-7223 C1 6-143
6
iControl DC
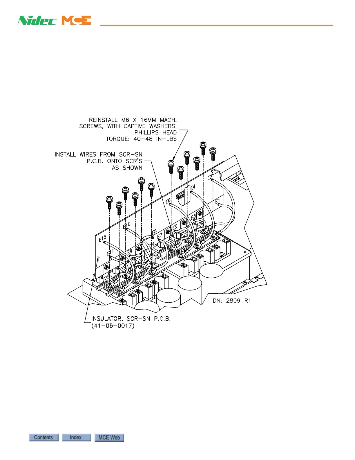
Replacing the SCR-SN Board Removing the SCR-SN board requires that a few wires
be disconnected. Label the wires to ensure they can be reconnected correctly. The right angle
copper brackets and the insulator on the SCR-SN board must be transferred to the new board.
This is best done when both boards are detached from the drive. The swing tray that holds the
SCR-LGA and the SCR-PS board must be removed to make it simpler to remove the SCR-SN
board. Do not disconnect the boards from the tray; remove the tray with the board on it.
Figure 6.31 Replacing the SCR-SN Board

Table of Contents

Related product manuals