EasyManua.ls Logo

nifty HR21E - Page 20

Default Icon
47 pages
Print Icon
To Next Page IconTo Next Page
To Next Page IconTo Next Page
To Previous Page IconTo Previous Page
To Previous Page IconTo Previous Page
Loading...
HR Series
Operating & Safety Instructions
English/USA – 11/09
Original Instructions
18
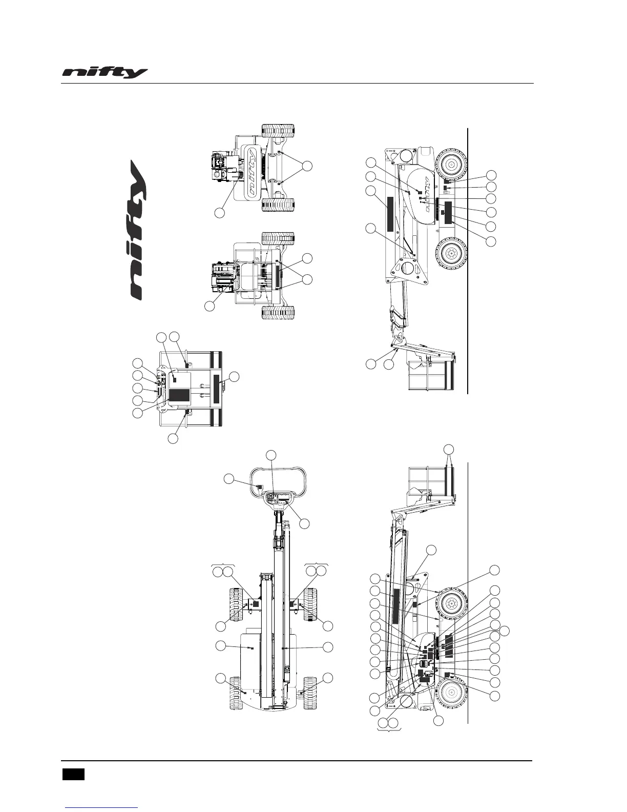
D80596
UNDER
COVER
COVER
UNDER
DOWN POINT
NEXT TO TIE-
OPTIONS
OPTIONS
VIEW ON FRONT INSIDE FACE OF CAGE
HR21DE
ONLY
HR21DE
ONLY
20
8
18
34
24
28
13
4
6
3120
21
14
12
12
15
15
12
24
25
32
9
10
5
33
37
21
44
35
40
22
36
36
36
36
15
15
39
41
41
12
17
17
4245
43
46
46
47
47
24
24
23
2
2
4
11
30
7
19
26
1
33 10 5 3
50
HR21 Hybrid Series

Related product manuals