EasyManua.ls Logo

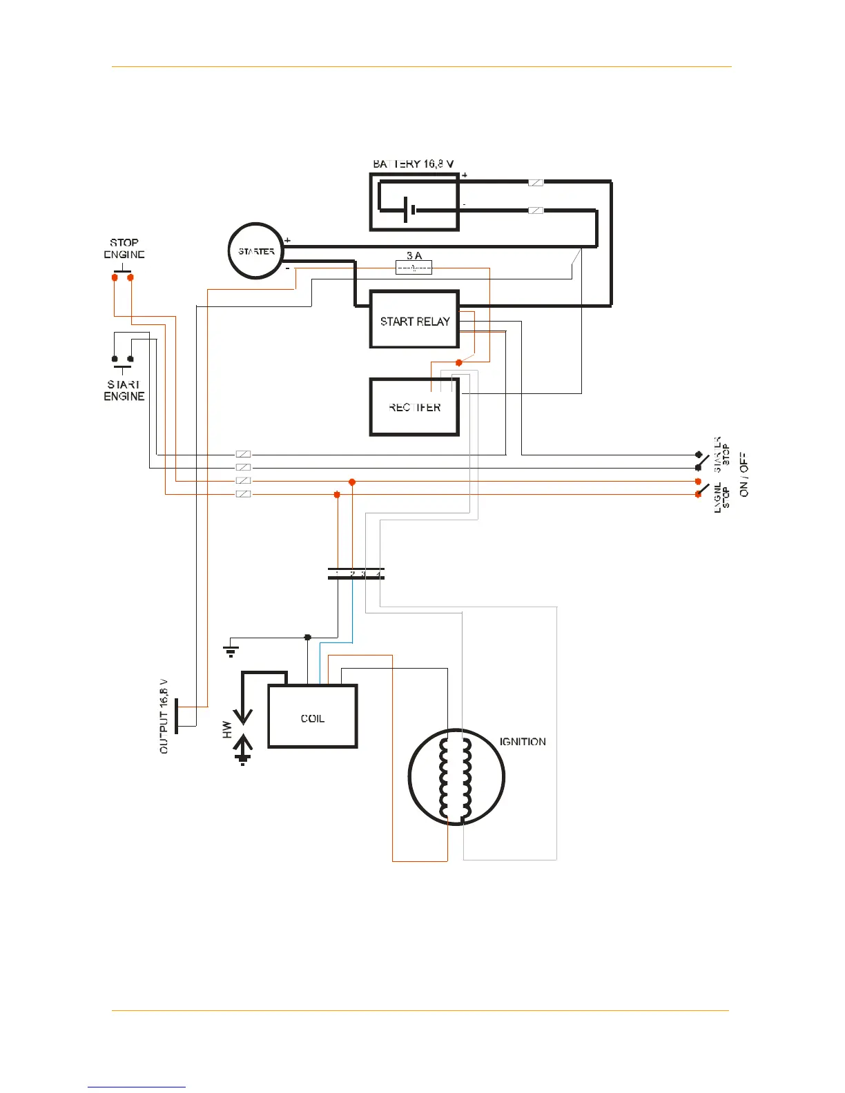
Nirvana Paramotors RODEO - Electric Schema

Nirvana Paramotors RODEO
93 pages
Print Icon
To Next Page IconTo Next Page
To Next Page IconTo Next Page
To Previous Page IconTo Previous Page
To Previous Page IconTo Previous Page
Loading...
last update 05.05.2009
13
ELECTRIC SCHEMA EP
WHITE
WHITE

Related product manuals