EasyManua.ls Logo

NLB 1312D - Page 200

Default Icon
244 pages
Print Icon
To Next Page IconTo Next Page
To Next Page IconTo Next Page
To Previous Page IconTo Previous Page
To Previous Page IconTo Previous Page
Loading...
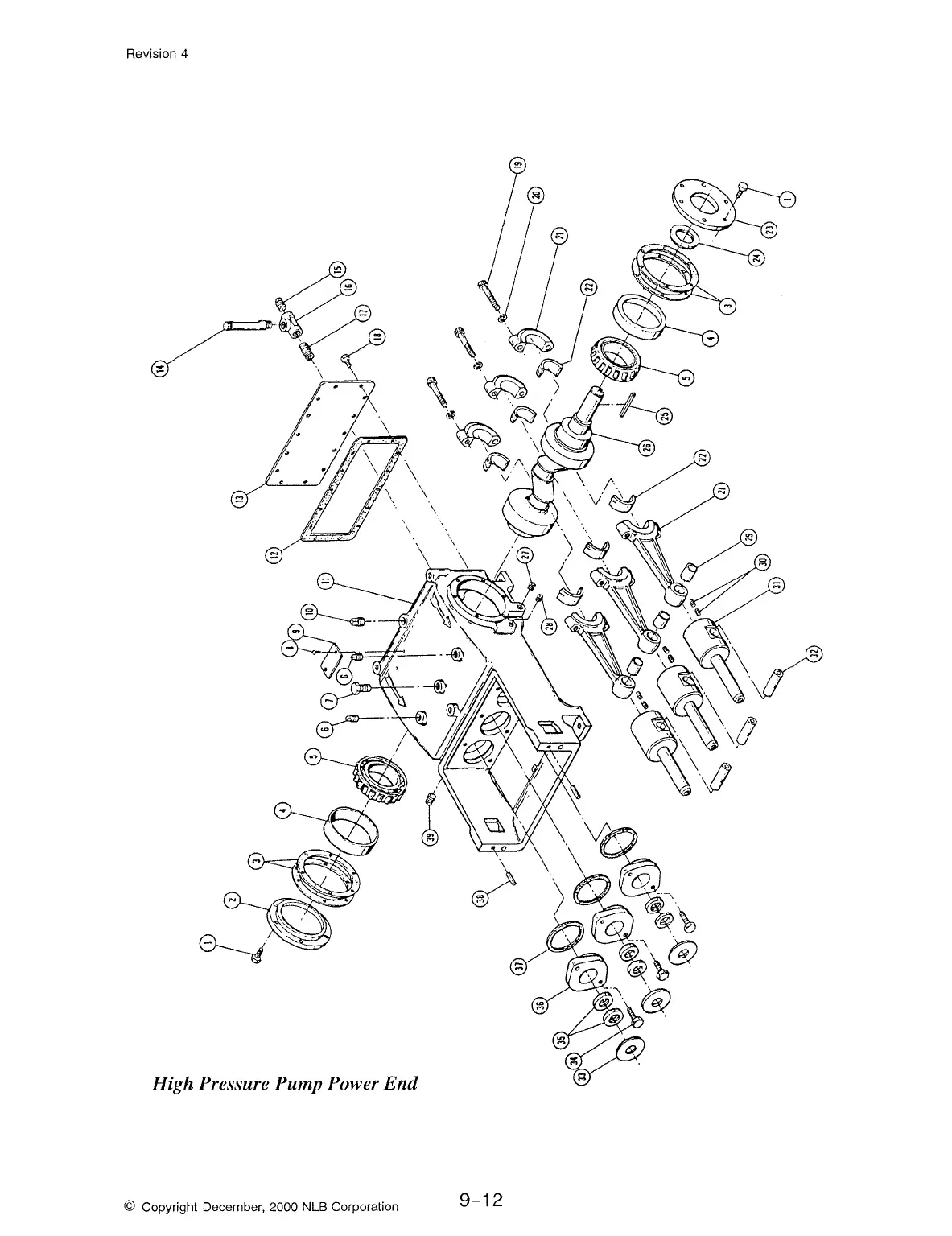
Revision 4
High Pressure Pump Power
End
© Copyright December, 2000 NLB Corporation
9-12

Table of Contents

Related product manuals