EasyManua.ls Logo

Noaton DF 4110 - Schéma Zapojení; Odvlhčovací Výkon; Skladování Produktu; Kontinuální Odtok

Noaton DF 4110
Print Icon
To Next Page IconTo Next Page
To Next Page IconTo Next Page
To Previous Page IconTo Previous Page
To Previous Page IconTo Previous Page
Loading...
6
CZ
Tento odvlhčovač nemá funkci chlazení. Během provozu bude produkovat teplo a zvýší teplotu v místnosti na 1
až 4. Toto zvýšení teploty může být v malých místnostech nebo jiných podobných prostorách velmi výrazné.
Kromě toho kd jsou dveře a okna zavřené a další spotřebiče v místnosti mohou vydávat teplo, stejně jako
sluneční záření může zvýšit teplotu v místnosti.
Kontinuální odtok
Když nejste doma, ale potřebujete jednotku pro dlouhodobý
provoz, můžete použít funkci kontinuálního odtoku. Vytáhněte
zástrčku a vložte hadičku do otvoru.
Skladování produktu
Před skladováním produktu vyčistěte ho a odpojte napájecí kabel nebo vyjměte baterie.
Skladujte produkt v suchu a chladném prostředí.
Nepokládejte žádné předměty na produkt nebo na napájecí kabel.
Ujistěte se, že produkt je uzavřený a že je chráněn před prachem nebo jinými nečistotami.
Skladujte produkt mimo dosah dětí a zvířat.
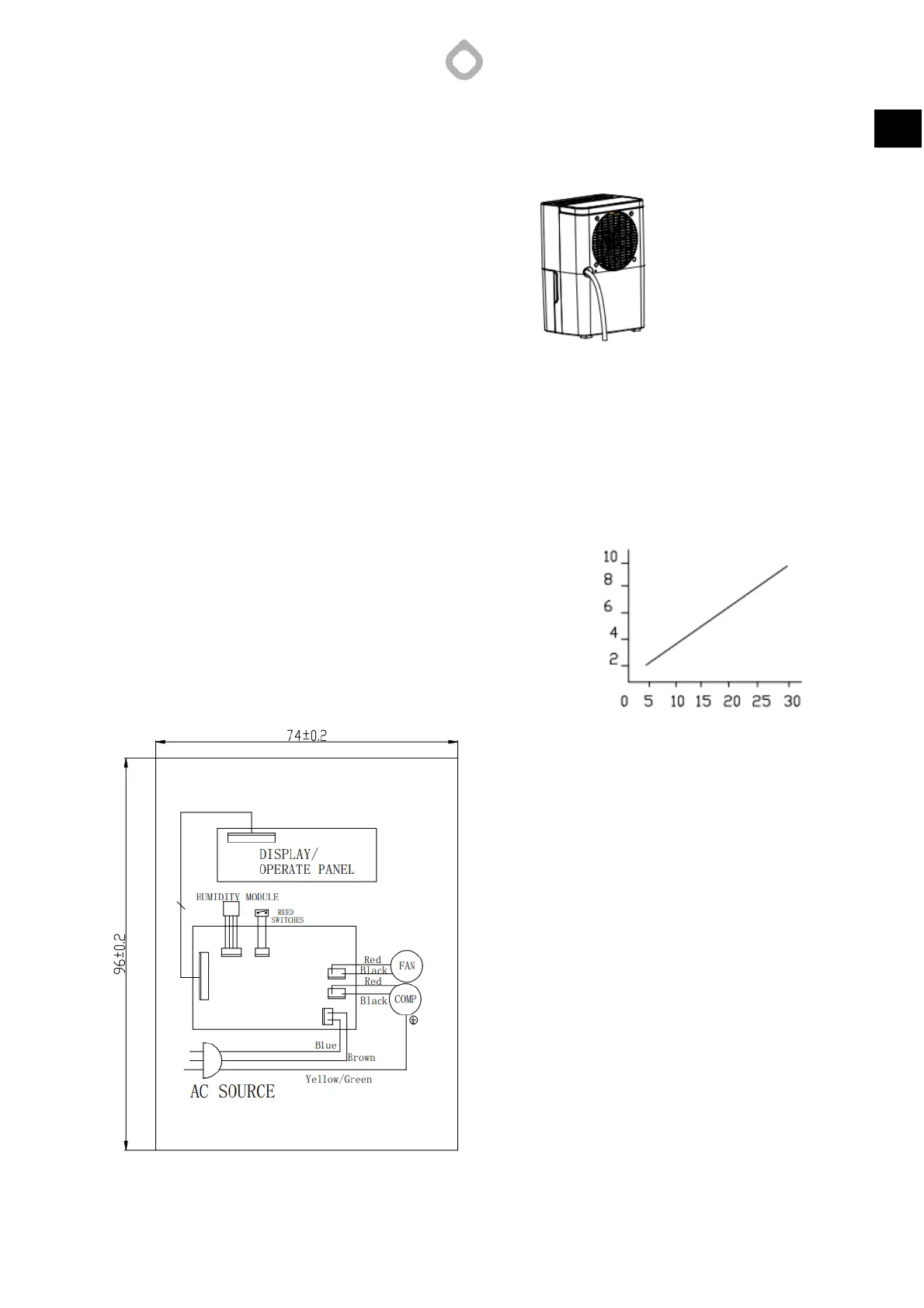
Odvlhčovací výkon
Uvedený obrázek ukazuje denní odvlhčovací výkon, který vychází z
konstantní 80% relativní vlhkosti. Při různých teplotách a relativní
vlhkosti může mít odlišný odvlhčovací výkon. Při stejné teplotě v
místnosti je odvlhčovací výkon vyšší při vyšší relativní vlhkosti a
odvlhčovací výkon nižší při nižší relativní vlhkosti. Při stejné relativní
vlhkosti je odvlhčovací výkon vyšší při vyšší teplotě a odvlhčovací výkon
je nižší při nižší teplotě.
Schéma zapojení
Vlhkost 80%
Teplota místnosti v
Odvlhčovací výkon
v litrech

Table of Contents