EasyManua.ls Logo

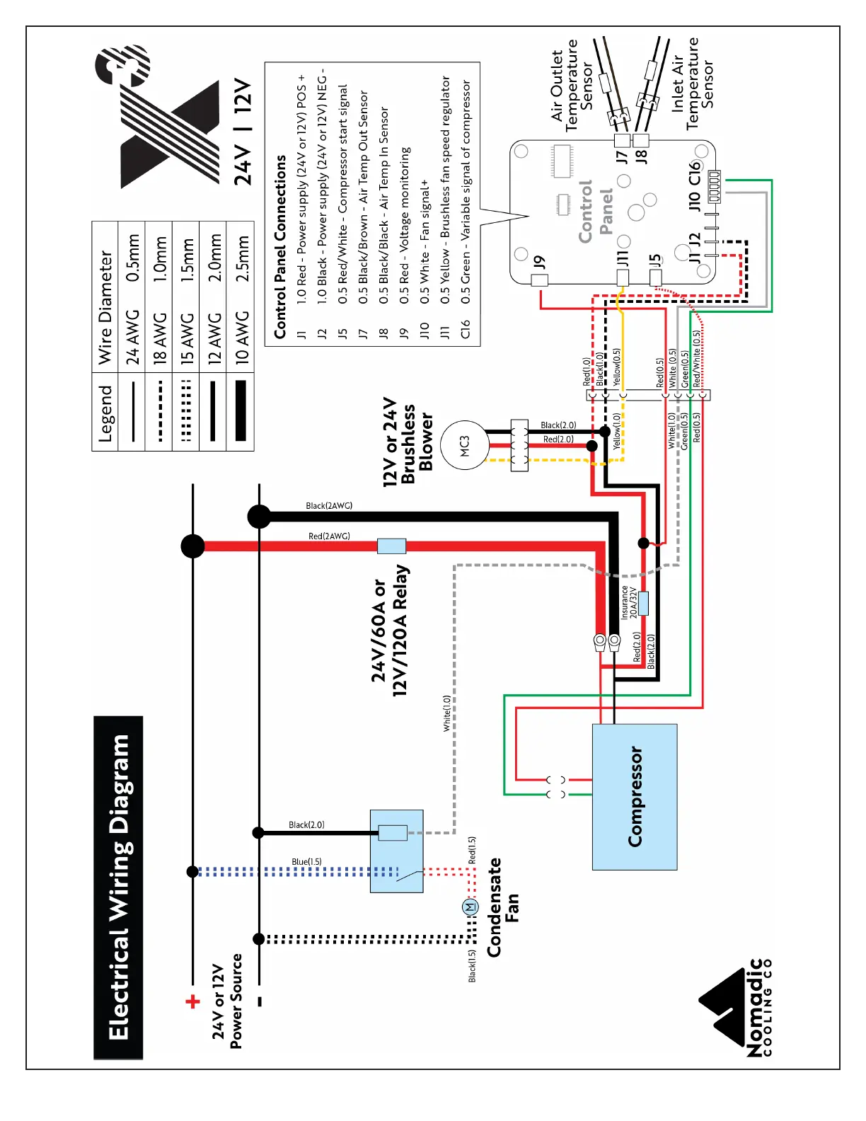
Nomadic NC-X3 - Electrical Wiring Diagram 12;24 V

Nomadic NC-X3
18 pages
Print Icon
To Next Page IconTo Next Page
To Next Page IconTo Next Page
To Previous Page IconTo Previous Page
To Previous Page IconTo Previous Page
Loading...
Nomadic Cooling Co 15 NC-X
3
Instalation Manual Version 231226

Other manuals for Nomadic NC-X3

Related product manuals